Для студентов МГТУ им. Н.Э.Баумана по предмету Теория механизмов и машин (ТММ)Проектирование и исследование механизмов движения гусенечной машиныПроектирование и исследование механизмов движения гусенечной машины
5,0052
2014-02-132025-04-07СтудИзба
Курсовая работа 18: Проектирование и исследование механизмов движения гусенечной машины вариант Б
-50%
Описание
Проектирование и исследование механизмов движения гусенечной машины
Аннотация
В данной работе проводится исследование и проектирование механизмов движения гусеничной машины, имеющей четырехтактный четырехцилиндровый двигатель внутреннего сгорания с вертикальным рядным расположением цилиндров. Весь расчет поделен на несколько частей: проектирование основного механизма двигателя, силовой расчет основного механизма двигателя, проектирование кулачкового механизма привода впускного клапана, проектирование зубчатой передачи и планетарного редуктора. И в результате работы были спроектированы механизмы движения гусеничной машины, а также получены числовые значения их характеристик.Содержание
- Аннотация……………………………………………................................................2
- Содержание……………………………………………………………………………3
- 1.Техническое задание…………………………………………………………………5
- 1.1. Краткое описание работы механизмов установки………………………..5
- 1.2. Исходные данные…………………………………………………………...7
- 2. Определение и исследование закона движения механизмов гусеничной машины……………………………………………………………………………..….10
- 2.1. Определение размеров механизма..............................................................11
- 2.2. Определение передаточных функций и отношений.................................12
- 2.3. Определение приведенных сил и моментов..............................................13
- 2.4. Определение суммарного приведенного момента…………..…………17
- 2.5. Определения суммарного приведенного момента инерции II группы звеньев…………………………………………………………………..……..18
- 2.6. Определение ТII(j) кинетической энергии этой же группы звеньев…..19
- 2.7. Определение кинетической энергии I группы звеньев…………….……20
- 2.8. Определение необходимого момента инерции маховых масс……….…20
- 2.9. Переход от графика ТI(j1*) к приближенному графику w1(j**) угловой скорости начального звена………………………………………………..……20
- 2.10. Определение момента инерции дополнительной маховой массы (маховика)…………………………………………………………….…………21
- 3. Силовой расчет основного механизма двигателя…………………...……………21
- 3.1. Определение угловой скорости и углового ускорения в заданном положении…………………………………………………………..…………..21
- 3.2. Построение планов ускорений……………………………….…………..22
- 3.3. Силовой расчет для 1 цилиндра……………………………………..……23
- 3.4. Силовой расчет для 4 цилиндра……………………………….………….24
- 3.5. Силовой расчет для 2 цилиндра………………………………………….24
- 3.6. Силовой расчет для 3 цилиндра………………………………………….25
- 4. Проектирование зубчатой передачи и планетарного редуктора………………...26
- 4.1. Выбор коэффициента смещения реечного инструмента……………..…26
- 4.2. Построение профиля колеса, изготовляемого реечным инструментом………………………………………………………………………….27
- 4.3. Построение проектируемой зубчатой передачи………………..………..28
- 4.4. Проектирование планетарного зубчатого механизма с цилиндрическими колесами…………………………………………………………………………….…29
- 5. Проектирование кулачковых механизмов…………….…………………….31
- 5.1. Построение кинематических диаграмм методом графического интегрирования………………………………………………………………..31
- 5.2. Определение основных размеров кулачкового механизма……….…32
- 5.3. Построение профиля кулачка……………………………………...……32
- Использованная литература ……………………..……………………………...……34
1.Техническое задание
1.1. Краткое описание работы механизмов установки.Гусеничными машинами могут быть тракторы, снегоходы, самоходные артиллерийские установки, танки, автомобили, мотоциклы и т.д. при наличии у них гусеничного хода (рис.1.1).

Гусеничный ход имеет: гусеницы 1, представляющие собой две бесконечные шарнирные цепи, которые взаимодействуют с грунтом, и делают возможным движение машины по бездорожью; ведущие колеса 2, перемещающие корпус машины относительно гусениц; направляющие колеса 3; опорные 4 и поддерживающие 5 катки, служащие для направления и поддержания гусениц; подвески 6, соединяющие корпус машины с опорными катками.
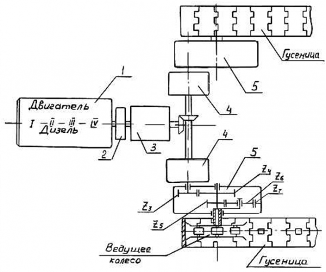
Механизм движения гусеничной машины состоит из двигателя внутреннего сгорания 1, муфты сцепления 2, коробки передач 3, механизмов поворота 4 и бортовых передач 5. Гусеничная машина имеет четырехтактный четырехцилиндровый двигатель внутреннего сгорания с вертикальным рядным расположением цилиндров (рис. 1.2).

Различают два режима работы двигателя: холостой ход, когда муфта сцепления выключена, и рабочий процесс при номинальной нагрузке, когда муфта сцепления включена и соединяет двигатель с остальными механизмами машины. Рабочий цикл в каждом цилиндре двигателя совершается за два оборота коленчатого вала и характеризуется индикаторными диаграммами, показывающими изменение давления газов в каждом цилиндре в зависимости от положения поршня при рабочем ходе и холостом ходе.
Данные для построения индикаторных диаграмм приведены в соответствующей таблице.
Основной механизм двигателя (рис. 1.3) состоит из четырех кривошипно-ползунных механизмов, расположенных в параллельных плоскостях и приводимых в движение от одного коленчатого вала 1. Кривошипы механизмов I и IV совпадают по своему расположению, кривошипы механизмов II и III также совпадают, но по отношению к кривошипам механизмов I и IV повернуты на угол 180 градусов.

1.2. Исходные данные
Отношение длинны шатуна к длине кривошипа | lAB/lOA | - | 3,74 |
Отношение расстояния от точки A до центра тяжести S2 шатуна к общей длине шатуна | lAS2/lAB | - | 0,28 |
Диаметр цилиндра | d | м | 0,130 |
Число оборотов коленчатого вала при номинальной нагрузке | n1ном | с-1 | 26,72 |
Число оборотов коленчатого вала при холостом ходе | n1хх | с-1 | 11,69 |
Максимальное давление в цилиндре двигателя при номинальной нагрузке | (pmax)ном | МПа | 6,867 |
Максимальное давление в цилиндре двигателя при холостом ходе | (pmax)хх | МПа | 4,905 |
Вес шатуна | G2 | Н | 35,6 |
Вес поршня | G3 | Н | 32 |
Момент инерции шатуна относительно оси, проходящей через его центр тяжести | I2S | кг*м2 | 0,0185 |
Момент инерции коленчатого вала (без маховика) | I’10 | кг*м2 | 0,036 |
Коэффициент неравномерности вращения коленчатого вала при холостом ходе двигателя | δхх | - | 1/30 |
Эффективная мощность двигателя при номинальной нагрузке | Ne ном | кВт | 139,65 |
Угловая координата кривошипа для силового расчета | φ1 | град | 90 |
Механический к.п.д. двигателя | η | - | 0,76 |
Приведенный к валу двигателя момент инерции вращающихся деталей привода гусениц | Iпр0 | кг*м2 | 7,4 |
Максимально допустимый угол давления в кулачковом механизме | aдоп | град | 30 |
Ход толкателя кулачкового механизма | h | м | 0,0013 |
Угол рабочего профиля кулачка выпускного клапана | dраб | град | 120 |
Угол рабочего профиля кулачка впускного клапана | d’раб | град | 120 |
Соотношение величин ускорений толкателя | n = | - | 2 |
Межосевое расстояние зубчатой передачи z3, z4 | A | мм | 77 |
Модуль зубчатых колес 3 и 4 | m | мм | 5,0 |
Число зубьев колес 3 и 4 | z3 z4 | - - | 12 18 |
Передаточное отношение бортового редуктора iобщ=i3-4*iпр | iобщ | - | 12 |
Число сателлитов в планетарном редукторе | K | - | 3 |
Параметры исходного контура реечного инструмента | a0 h*a c* | град - - | 20 1 0,25 |
Путь поршня | Всасывание | Сжатие | Расширение | Выхлоп |
0 | +0,025 | +0,92 | +0,92 | +0,025 |
0,025 | 0 | +0,60 | +1,00 | +0,025 |
0,05 | -0,025 | +0,40 | +0,90 | +0,025 |
0,1 | -0,025 | +0,30 | +0,60 | +0,025 |
0,2 | -0,025 | +0,13 | +0,36 | +0,025 |
0,3 | -0,025 | +0,059 | +0,26 | +0,025 |
0,4 | -0,025 | +0,032 | +0,28 | +0,025 |
0,5 | -0,025 | +0,015 | +0,14 | +0,025 |
0,6 | -0,025 | 0 | +0,104 | +0,025 |
0,7 | -0,025 | -0,004 | +0,090 | +0,025 |
0,8 | -0,025 | -0,008 | +0,065 | +0,025 |
0,9 | -0,025 | -0,016 | +0,52 | +0,025 |
1,0 | -0,025 | -0,025 | +0,044 | +0,025 |
Чертежи
Лист 1 - Определение законов движения ![]()
Лист 2 - Силовой анализ механизма ![]()
Лист 3 - Проектирование зубчатой передачи и планетарного механизма
Лист 4 - Проектирование кулачкового механизма ![]()
Характеристики курсовой работы
Учебное заведение
Семестр
Номер задания
Вариант
Программы
Просмотров
1580
Качество
Идеальное компьютерное
Размер
596,82 Kb
Список файлов
Лист (1).dwg
Лист (2).dwg
Лист (3).dwg
Лист (4).dwg
РПЗ.docx
Приложение 1.docx

Вам все понравилось? Получите кэшбэк - 40 рублей на Ваш счёт при покупке. Поставьте оценку и напишите положительный комментарий к купленному файлу. После Вы получите деньги на ваш счет.