Для студентов МГТУ им. Н.Э.Баумана по предмету Теория механизмов и машин (ТММ)Проектирование и исследование механизмов поршневого насоса двойного действияПроектирование и исследование механизмов поршневого насоса двойного действия
5,0056
2022-09-162024-11-27СтудИзба
Курсовая работа 120: Проектирование и исследование механизмов поршневого насоса двойного действия вариант Г
-64%
Описание
Защищено на 5
Чертеж в КОМПАС
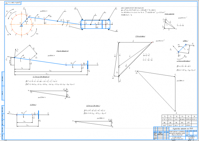
ПРОЕКТИРОВАНИЕ И ИССЛЕДОВАНИЕ МЕХАНИЗМОВ ПОРШНЕВОГО НАСОСА ДВОЙНОГО ДЕЙСТВИЯГоризонтальный одноцилиндровый поршневой наосос двойного действия, приминяемый в теплоэнергетике, служит для перекачки воды или тепловых нефтепродуктов. Коленчатый вал I насоса приводится в движение от электродвигателя 12 через муфту II, пару зубчатых колес с числами зубьев Z5 и Z6, планетарный редуктор 6 и коническую зубчатую передачу 5 с передаточным отношением, равным единице (рис. 1 а, б). На выходном валу редуктора установлен маховик 7. При вращении кривошипа I через шатун 2 поршневой шток 3 с поршнем 3*, находящимся в цилиндре 4, получает возвратно-поступательное движение.
В процессе работы поршневого насоса двойного действия жидкость вытесняется при движении поршня в обе стороны. При ходе поршня вправо клапаны I и П открыты (рис. 1 6). Через клапан I происходит всасывание, а через клапан П- вытеснение жидкости в напорную трубу. В это время клапаны Ш и IV закрыты. При обратном ходе поршня жидкость через клапан Ш поступает в рабочую камеру, а через клапан IV - в напорную трубу. Таким образом, всасывание и нагнетание жидкости происходят при каждом ходе поршня.
Изменение давления Р жидкости в цилиндре от перемещения S3 поршня З* характеризуется индикаторной диаграммой (рис. 1 в).
Смазка элементов кинематических пар механизма поршневого насоса осуществляется
под давлением от масляного насоса 10, плунжер (толкатель) 13 которого перемещается от кулачка 9, установленного на коленчатом валу I (рис. 1 а, г). Перемещение толкателя осуществляется по закону ad = a1*cos(2*π* φd / φp) . (рис. 1д).

№ ц/п | Наименование параметра | Обозначение | Единица СИ | Численные значения |
1 | Средняя скорость поршня | υcр | м/с | 0,60 |
2 | Частота двойных ходов поршня 3 | n1 | 1/с | 1,7 |
3 | Отношение длины шатуна 2 к длине кривошипа 1 | λ=lbс/lаb | - | 5.0 |
4 | Длина штока 3 в долях от хода H | λ3=l3/H | - | 1,04 |
5 | Диаметр штока 3 | d3 | м | 0,03 |
6 | Диаметр цилиндра 4 | d4 | м | 0,07 |
7 | Максимально давление жидкости в цилиндре | Pmax | Па | 8,7 105 |
Минимальное давление жидкости в цилиндре | Pmin | Па | -8,7 104 | |
8 | Масса шатуна 2 | m2 | кг | 14 |
9 | Масса поршня 3 и штока 3* | m3 | кг | 9,4 |
10 | Момент инерции коленчатого вала | I1A | кг·м2 | 0,022 |
11 | Момент инерции шатуна 2 относительно оси, проходящей через его центр масс S2 | I2S | кг·м2 | 0,220 |
12 | Моменты инерции зубчатых колес передачи и редуктора, приведенный к валу двигателя | I3k | кг·м2 | 0,022 |
13 | Коэффициент неравномерности вращения коленчатого вала | δ | - | 1/25 |
14 | Угловая координата кривошипа | φ1 | град | 45 |
15 | Число зубьев колес зубчатой передачи | Z6 | - | 26 |
Z5 | - | 20 | ||
16 | Передаточное отношение планетарного редуктора | U1h | - | 10 |
17 | Число блоков сателлитов | k | - | 3 |
18 | Модуль зубчатых колес передачи и редуктора | m | мм | 2,5 |
19 | КПД зубчатой передачи | η3п | - | 0,9 |
20 | КПД редуктора | ηр | - | 0,95 |
21 | Угол рабочего профиля кулачка | δр | град | 230 |
№ ц/п | Наименование параметра | Обозначение | Единица СИ | Численные значения |
22 | Максимальный ход толкателя | hd | м | 0,014 |
23 | Внеосность толкателя | e | м | 0,005 |
24 | Допустимый угол давления в кулачковом механизме | [J] | град | 35 |






Характеристики курсовой работы
Учебное заведение
Семестр
Номер задания
Вариант
Просмотров
337
Качество
Идеальное компьютерное
Размер
1,9 Mb
Список файлов
Mathcad - kur 1-1.pdf
Mathcad - лист 4.pdf
list 1-2.cdw
list 2-1.cdw
list 3-2.cdw
list4.cdw
записка курсового проекта.docx

Ваше удовлетворение является нашим приоритетом, если вы удовлетворены нами, пожалуйста, оставьте нам 5 ЗВЕЗД и позитивных комментариев. Спасибо большое!. Смотрите файлы в моем профиле, там есть много полезных !