Для студентов МГТУ им. Н.Э.Баумана по предмету Теория физико-химических методов обработкиОпределение режимов и расчет электрода-инструмента для копировально-прошивочной электроэрозионной обработкиОпределение режимов и расчет электрода-инструмента для копировально-прошивочной электроэрозионной обработки
5,0051
2025-07-292025-07-29СтудИзба
ДЗ 2: Определение режимов и расчет электрода-инструмента для копировально-прошивочной электроэрозионной обработки вариант 5
Описание
ДЗ сдано и защищено с первого раза. Вариант №5
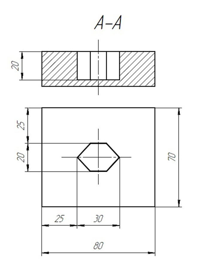
Марка обрабатываемого материала: ОМ Х12М
Марка обрабатываемого материала: ОМ Х12М
Характеристики домашнего задания
Учебное заведение
Семестр
Номер задания
Вариант
Теги
Просмотров
19
Размер
462,65 Kb
Преподаватели
Список файлов
ДЗ2 тфзхмо прима.docx
Комментарии
Нет комментариев
Стань первым, кто что-нибудь напишет!
МГТУ им. Н.Э.Баумана
vk_154348585


















