Для студентов МГТУ им. Н.Э.Баумана по предмету Технология конструкционных материалов (ТКМ)Технология изготовления поковок - КолесоТехнология изготовления поковок - Колесо
5,00511
2021-03-272024-09-03СтудИзба
ДЗ 2: Технология изготовления поковок - Колесо вариант 9
-66%
Описание
ДЗ №2, Технология изготовления поковок
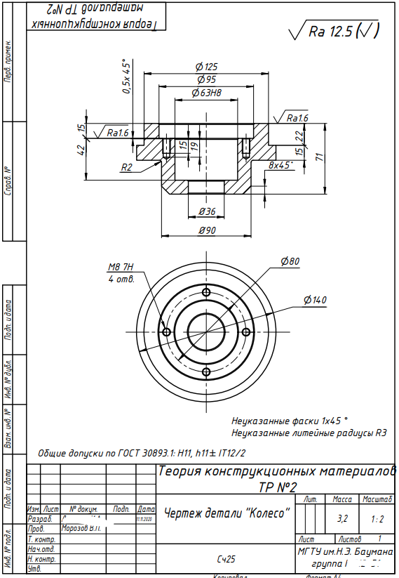
Деталь изготавливают в условиях серийного производства (N>500). В соответствии c классификацией (см. табл. 1) поковка рассматриваемой детали относится к группе 4. По табл. 2 находим, что такую поковку следует изготавливать холодной объемной штамповкой, так как ковку при таких партиях деталей не применяют, а горячая объемная штамповка этой поковки будет весьма затруднительна из-за габаритных размеров и массы детали и гораздо более энергетически затратная.
Деталь «Колесо » изготовляют из чугуна Сч.25. Наиболее ответственные поверхности детали – верхняя торцевая поверхность
![]()
Зачтено на максимальный балл
ДЗ №1, Разработка технологии изготовления отливокДЗ №2, Технология изготовления поковок
Деталь изготавливают в условиях серийного производства (N>500). В соответствии c классификацией (см. табл. 1) поковка рассматриваемой детали относится к группе 4. По табл. 2 находим, что такую поковку следует изготавливать холодной объемной штамповкой, так как ковку при таких партиях деталей не применяют, а горячая объемная штамповка этой поковки будет весьма затруднительна из-за габаритных размеров и массы детали и гораздо более энергетически затратная.
Деталь «Колесо » изготовляют из чугуна Сч.25. Наиболее ответственные поверхности детали – верхняя торцевая поверхность



Характеристики домашнего задания
Учебное заведение
Номер задания
Вариант
Просмотров
543
Размер
1,96 Mb
Список файлов
Вариант №9 (Деталь колесо)
Деталь колесо.pdf
Литье.pdf
ОД.pdf
РПЗ.pdf
Чертеж отливки.pdf
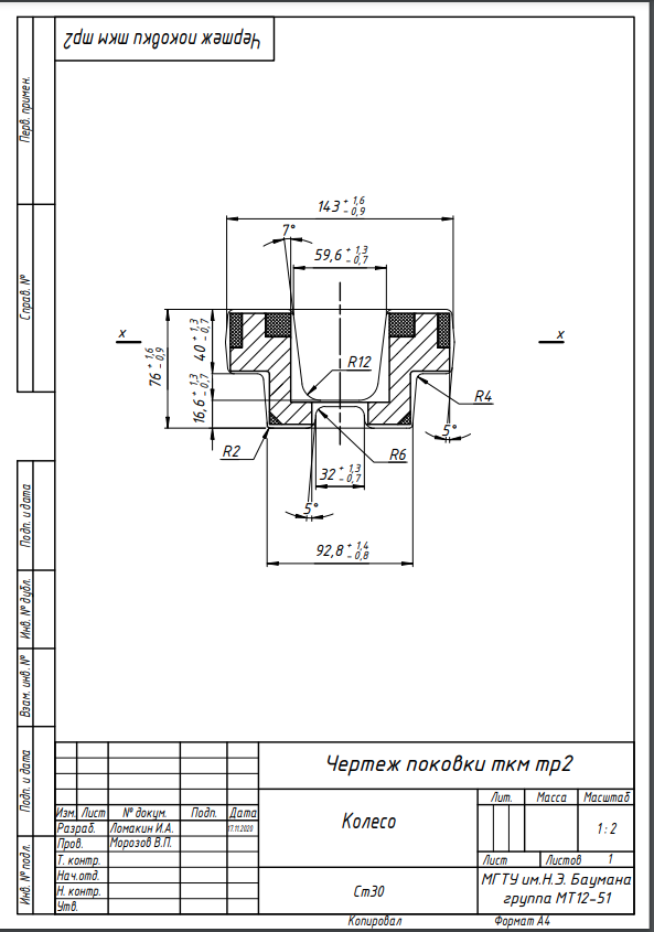
Чертеж поковки.pdf
Эскиз песчаной формы.pdf
Эскиз штампов ткм тр2.pdf
Эскиз штампов.pdf

Друзья, спасибо за доверие! Если вам понравилась работа – поставьте 5⭐ и напишите отзыв. Это поможет другим студентам, а мне даст силы делать ещё больше качественных материалов для вас 🔥