Для студентов ИГЭУ им. Ленина по предмету Теория автоматического управления (ТАУ)Выходной контроль. Характеристики и свойства типовых линейных звеньевВыходной контроль. Характеристики и свойства типовых линейных звеньев
5,00569
2025-03-162025-07-02СтудИзба
Ответы к контрольной работе ПК-1: Выходной контроль. Характеристики и свойства типовых линейных звеньев
Описание
Выходной контроль. Характеристики и свойства типовых линейных звеньев. Тест 3
- Укажите дифференциальное уравнение инерционного звена первого порядка, если x1(t)- величина на входе; x2(t) - величина на выходе; k, T0, T - постоянные коэффициенты
- Укажите дифференциальное уравнение реального дифференцирующего звена, если x1(t)- величина на входе; x2(t) - величина на выходе; k, T0, T - постоянные коэффициенты
- Укажите дифференциальное уравнение интегро-дифференцирующего звена, если x1(t)- величина на входе; x2(t) - величина на выходе; k, T0, T - постоянные коэффициенты
- Укажите дифференциальное уравнение интегрирующего звена, если x1(t)- величина на входе; x2(t) - величина на выходе; k, T0, T - постоянные коэффициенты
- Укажите дифференциальное уравнение идеального дифференцирующего звена, если x1(t)- величина на входе; x2(t) - величина на выходе; k, T0, T - постоянные коэффициенты
- Укажите дифференциальное уравнение инерционного звена второго порядка, если x1(t)- величина на входе; x2(t) - величина на выходе; k, T0, T - постоянные коэффициенты
- Укажите название типового звена, передаточная функция которого имеет вид
где k,T - постоянные коэффициенты.
- Укажите название типового звена, передаточная функция которого имеет вид
где T k, - постоянные коэффициенты.
- Укажите название типового звена, передаточная функция которого имеет вид
где k,T,T0- постоянные коэффициенты.
- Укажите название типового звена, передаточная функция которого имеет вид
где k,T,T0- постоянные коэффициенты.
- Укажите название типового звена, передаточная функция которого имеет вид
где k - постоянный коэффициент.
- Укажите название типового звена, передаточная функция которого имеет вид
где k - постоянный коэффициент.
- Укажите название типового звена, передаточная функция которого имеет вид
где T - постоянный коэффициент.
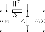
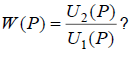
- кажите название типового звена, электрический аналог которого представлен на рисунке
- Укажите название типового звена, электрический аналог которого представлен на рисунке
- Укажите название типового звена, электрический аналог которого представлен на рисунке
- Укажите название типового звена, электрический аналог которого представлен на рисунке
- Укажите название типового звена, электрический аналог которого представлен на рисунке
- Укажите название типового звена, электрический аналог которого представлен на рисунке
- Укажите название типового звена, электрический аналог которого представлен на рисунке
- Укажите название типового звена, электрический аналог которого представлен на рисунке
- Укажите название типового звена, электрический аналог которого представлен на рисунке
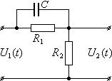
- Каким типовым звеном может быть представлена электрическая схема (см. рисунок)
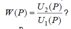
как элемент САУ с передаточной функцией
- Каким типовым звеном может быть представлена электрическая схема (см. рисунок)
как элемент САУ с передаточной функцией
- Каким типовым звеном может быть представлена электрическая схема (см. рисунок)
как элемент САУ с передаточной функцией
- Каким типовым звеном может быть представлена электрическая схема (см. рисунок)
как элемент САУ с передаточной функцией
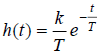
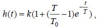
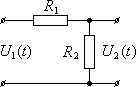
- Укажите вид переходной характеристики (U1(t)=1) типового звена, электрический аналог которого представлен на рисунке
- Укажите вид переходной характеристики (U1(t)=1) типового звена, электрический аналог которого представлен на рисунке
- Укажите вид переходной характеристики (U1(t)=1) типового звена, электрический аналог которого представлен на рисунке
- Укажите вид переходной характеристики (U1(t)=1) типового звена, электрический аналог которого представлен на рисунке
- Укажите вид переходной характеристики (U1(t)=1) типового звена, электрический аналог которого представлен на рисунке
- Укажите вид переходной характеристики (U1(t)=1) типового звена, электрический аналог которого представлен на рисунке
- Укажите вид переходной характеристики (U1(t)=1) типового звена, электрический аналог которого представлен на рисунке
- Укажите вид переходной характеристики (U1(t)=1) типового звена, электрический аналог которого представлен на рисунке
- При каком условии переходная характеристика звена второго порядка с передаточной функцией
где k, T, T0 - постоянные коэффициенты, имеет колебательный характер?
- При каком условии переходная характеристика звена второго порядка с передаточной функцией
где k, T, T0 - постоянные коэффициенты, имеет вид монотонной (без колебаний) кривой?
- Как изменится переходная характеристика интегро-дифференцирующего звена
где k, T, T0 - постоянные коэффициенты, если увеличить постоянную времени T ?
- Как изменится переходная характеристика инерционного звена первого порядка
где k, T - постоянные коэффициенты, если увеличить постоянную времени T ?
- Как изменится переходная характеристика инерционного звена первого порядка
где k, T - постоянные коэффициенты, если уменьшить постоянную времени T ?
- Как изменится переходная характеристика реального дифференцирующего звена
где k,T - постоянные коэффициенты, если увеличить постоянную времени T ?
- Как изменится переходная характеристика реального дифференцирующего звена
где k,T - постоянные коэффициенты, если уменьшить постоянную времени T ?
Список вопросов
Как изменится переходная характеристика реального дифференцирующего звена
где k,T - постоянные коэффициенты, если уменьшить постоянную времени T ?

где k,T - постоянные коэффициенты, если уменьшить постоянную времени T ?
Как изменится переходная характеристика реального дифференцирующего звена
где k,T - постоянные коэффициенты, если увеличить постоянную времени T ?

Как изменится переходная характеристика инерционного звена первого порядка
где k, T - постоянные коэффициенты, если уменьшить постоянную времени T ?

Как изменится переходная характеристика инерционного звена первого порядка
где k, T - постоянные коэффициенты, если увеличить постоянную времени T ?

Как изменится переходная характеристика интегро-дифференцирующего звена
где k, T, T0 - постоянные коэффициенты, если увеличить постоянную времени T ?

При каком условии переходная характеристика звена второго порядка с передаточной функцией
где k, T, T0 - постоянные коэффициенты, имеет вид монотонной (без колебаний) кривой?

При каком условии переходная характеристика звена второго порядка с передаточной функцией
где k, T, T0 - постоянные коэффициенты, имеет колебательный характер?

Укажите вид переходной характеристики (U1(t)=1) типового звена, электрический аналог которого представлен на рисунке ![]()

Укажите вид переходной характеристики (U1(t)=1) типового звена, электрический аналог которого представлен на рисунке ![]()

Укажите вид переходной характеристики (U1(t)=1) типового звена, электрический аналог которого представлен на рисунке
![]()

Укажите вид переходной характеристики (U1(t)=1) типового звена, электрический аналог которого представлен на рисунке ![]()

Укажите вид переходной характеристики (U1(t)=1) типового звена, электрический аналог которого представлен на рисунке
![]()

Укажите вид переходной характеристики (U1(t)=1) типового звена, электрический аналог которого представлен на рисунке ![]()

Укажите вид переходной характеристики (U1(t)=1) типового звена, электрический аналог которого представлен на рисунке ![]()

Укажите вид переходной характеристики (U1(t)=1) типового звена, электрический аналог которого представлен на рисунке ![]()

Каким типовым звеном может быть представлена электрическая схема (см. рисунок)
как элемент САУ с передаточной функцией


Каким типовым звеном может быть представлена электрическая схема (см. рисунок)
как элемент САУ с передаточной функцией ![]()


Каким типовым звеном может быть представлена электрическая схема (см. рисунок)
как элемент САУ с передаточной функцией![]()

как элемент САУ с передаточной функцией

Каким типовым звеном может быть представлена электрическая схема (см. рисунок)
как элемент САУ с передаточной функцией ![]()


Укажите название типового звена, электрический аналог которого представлен на рисунке
![]()

Укажите название типового звена, электрический аналог которого представлен на рисунке
![]()

Укажите название типового звена, электрический аналог которого представлен на рисунке ![]()

Укажите название типового звена, электрический аналог которого представлен на рисунке
![]()

Укажите название типового звена, электрический аналог которого представлен на рисунке ![]()

Укажите название типового звена, электрический аналог которого представлен на рисунке ![]()

Укажите название типового звена, электрический аналог которого представлен на рисунке ![]()

Укажите название типового звена, электрический аналог которого представлен на рисунке ![]()

Укажите название типового звена, электрический аналог которого представлен на рисунке ![]()

Укажите название типового звена, передаточная функция которого имеет вид
где T - постоянный коэффициент.

Укажите название типового звена, передаточная функция которого имеет вид
где k - постоянный коэффициент.

Укажите название типового звена, передаточная функция которого имеет вид
где k - постоянный коэффициент.

Укажите название типового звена, передаточная функция которого имеет вид
где k,T,T0- постоянные коэффициенты.

Укажите название типового звена, передаточная функция которого имеет вид
где k,T,T0- постоянные коэффициенты.

Укажите название типового звена, передаточная функция которого имеет вид
где T k, - постоянные коэффициенты.

Укажите название типового звена, передаточная функция которого имеет вид
где k,T - постоянные коэффициенты.

Укажите дифференциальное уравнение инерционного звена второго порядка, если
x1(t)- величина на входе;
x2(t) - величина на выходе;
k, T0, T - постоянные коэффициенты
x1(t)- величина на входе;
x2(t) - величина на выходе;
k, T0, T - постоянные коэффициенты
Укажите дифференциальное уравнение идеального дифференцирующего звена, если
x1(t)- величина на входе;
x2(t) - величина на выходе;
k, T0, T - постоянные коэффициенты
x1(t)- величина на входе;
x2(t) - величина на выходе;
k, T0, T - постоянные коэффициенты
Укажите дифференциальное уравнение интегрирующего звена, если
x1(t)- величина на входе;
x2(t) - величина на выходе;
k, T0, T - постоянные коэффициенты
x1(t)- величина на входе;
x2(t) - величина на выходе;
k, T0, T - постоянные коэффициенты
Укажите дифференциальное уравнение интегро-дифференцирующего звена, если
x1(t)- величина на входе;
x2(t) - величина на выходе;
k, T0, T - постоянные коэффициенты
x1(t)- величина на входе;
x2(t) - величина на выходе;
k, T0, T - постоянные коэффициенты
Укажите дифференциальное уравнение реального дифференцирующего звена, если
x1(t)- величина на входе;
x2(t) - величина на выходе;
k, T0, T - постоянные коэффициенты
x1(t)- величина на входе;
x2(t) - величина на выходе;
k, T0, T - постоянные коэффициенты
Укажите дифференциальное уравнение инерционного звена первого порядка, если
x1(t)- величина на входе;
x2(t) - величина на выходе;
k, T0, T - постоянные коэффициенты
x1(t)- величина на входе;
x2(t) - величина на выходе;
k, T0, T - постоянные коэффициенты
Характеристики ответов (шпаргалок) к КР
Тип
Коллекция: Ответы (шпаргалки) к контрольной работе
Учебное заведение
Семестр
Номер задания
Программы
Теги
Просмотров
14
Качество
Идеальное компьютерное
Количество вопросов
Преподаватели

🎓Помощь студентам Ивановских ВУЗов🎓 ❤️ Каждая приобретенная работа служит стимулом для добавления новых материалов и упрощает учебный процесс.