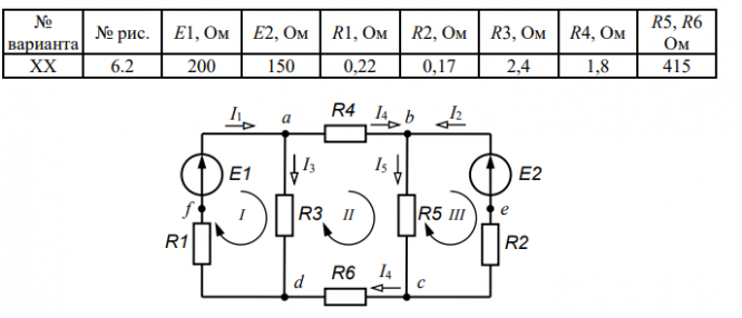
Для студентов РХТУ им. Д.И. Менделеева в г. Новомосков по предмету Теоретические основы электротехники (ТОЭ)В цепи (рис. 2.1) ЭДС источников питания равны E1 и E2, а сопротивления ветвей – R1, R2, R3, R4, R5 = R6В цепи (рис. 2.1) ЭДС источников питания равны E1 и E2, а сопротивления ветвей – R1, R2, R3, R4, R5 = R6
5,0052
2025-02-052025-02-05СтудИзба
Задача: В цепи (рис. 2.1) ЭДС источников питания равны E1 и E2, а сопротивления ветвей – R1, R2, R3, R4, R5 = R6
Описание
В цепи (рис. 2.1) ЭДС источников питания равны E1 и E2, а сопротивления ветвей – R1, R2, R3, R4, R5 = R6. Определить методом непосредственного применения законов Кирхгофа токи в ветвях цепи и режим работы каждого из источников. Составить баланс мощностей. Построить потенциальную диаграмму для контура, содержащего оба источника ЭДС. Исходные данные в таблице 2.1.
![]()

Характеристики решённой задачи
Учебное заведение
Просмотров
22
Качество
Идеальное компьютерное
Размер
410,57 Kb
Список файлов
primer-kr-1-4-7.pdf

Если нужен другой вариант работы или отдельная задача из любой работы, пишите в комментарии