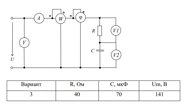
Для студентов по предмету Теоретические основы электротехники (ТОЭ)В цепь переменного тока последовательно включены резистор с активным сопротивлением R и конденсатор ёмкостью СВ цепь переменного тока последовательно включены резистор с активным сопротивлением R и конденсатор ёмкостью С
5,0051
2025-01-302025-01-30СтудИзба
Задача: В цепь переменного тока последовательно включены резистор с активным сопротивлением R и конденсатор ёмкостью С
Описание
В цепь переменного тока последовательно включены резистор с активным сопротивлением R и конденсатор ёмкостью С. К цепи подведено переменное напряжение частотой 50 Гц. Определить показания измерительных приборов, включенных в цепь, реактивную мощность цепи, построить векторную диаграмму и треугольник сопротивлений
![]()

Характеристики решённой задачи
Семестр
Просмотров
12
Качество
Идеальное компьютерное
Размер
231,32 Kb
Список файлов
2167979-105-6-9.pdf

Если нужен другой вариант работы или отдельная задача из любой работы, пишите в комментарии