Для студентов по предмету Электротехника (ЭлТех)В сеть переменного тока напряжением U = 250 В включена цепь, состоящая из двух параллельных ветвей с сопротивлениями R1 = 25 Ом, R2 = 10 Ом и XL = 7 ОВ сеть переменного тока напряжением U = 250 В включена цепь, состоящая из двух параллельных ветвей с сопротивлениями R1 = 25 Ом, R2 = 10 Ом и XL = 7 О
5,0059
2021-11-222021-11-22СтудИзба
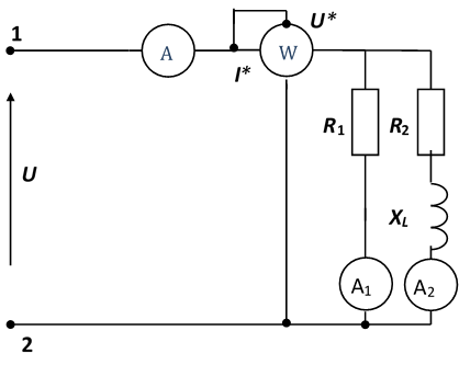
В сеть переменного тока напряжением U = 250 В включена цепь, состоящая из двух параллельных ветвей с сопротивлениями R1 = 25 Ом, R2 = 10 Ом и XL = 7 Ом. Определить показания измерительных приборов, полную и реактивную мощности цепи, построить векто
Описание
В сеть переменного тока напряжением U = 250 В включена цепь, состоящая из двух параллельных ветвей с сопротивлениями R1 = 25 Ом, R2 = 10 Ом и XL = 7 Ом.
Определить показания измерительных приборов, полную и реактивную мощности цепи, построить векторную диаграмму, треугольники токов и мощностей.
Характеристики решённой задачи
Предмет
Программы
Просмотров
69
Качество
Идеальное компьютерное
Размер
80,9 Kb
Список файлов
