Для студентов по предмету Теоретические основы электротехники (ТОЭ)Определите токи в ветвях и напряжения на элементах цепи до и после коммутации. Постройте графики изменения этих величин во времени. Схема цепи предстаОпределите токи в ветвях и напряжения на элементах цепи до и после коммутации. Постройте графики изменения этих величин во времени. Схема цепи предста
5,00517985
2022-04-222022-04-22СтудИзба
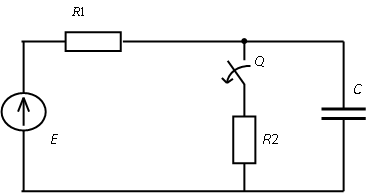
Определите токи в ветвях и напряжения на элементах цепи до и после коммутации. Постройте графики изменения этих величин во времени. Схема цепи представлена на рисунке 5.1. Параметры элементов цепи указаны в таблице 5.1 Рисунок 5.1 Таблица 5.1 Е
Описание
Определите токи в ветвях и напряжения на элементах цепи до и после коммутации. Постройте графики изменения этих величин во времени. Схема цепи представлена на рисунке 5.1. Параметры элементов цепи указаны в таблице 5.1
Рисунок 5.1
Таблица 5.1
Е | R1 | R2 | L | C |
100 | 3 Ом | 50 Ом | - | 50 |
Характеристики решённой задачи
Номер задания
Вариант
Просмотров
1
Качество
Идеальное компьютерное
Размер
412 Kb
Список файлов
Задача.doc
