Для студентов по предмету Теоретические основы электротехники (ТОЭ)Определите токи в ветвях цепи постоянного тока и напряжения на её элементах. Правильность расчета подтвердите составлением баланса мощностей. Схема цеОпределите токи в ветвях цепи постоянного тока и напряжения на её элементах. Правильность расчета подтвердите составлением баланса мощностей. Схема це
5,00517985
2022-04-222022-04-22СтудИзба
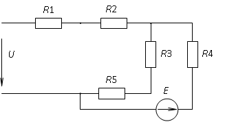
Определите токи в ветвях цепи постоянного тока и напряжения на её элементах. Правильность расчета подтвердите составлением баланса мощностей. Схема цепи представлена на рисунке 1.1. Значения параметров элементов цепи указаны в таблице 1.1. Расчет вып
Описание
Определите токи в ветвях цепи постоянного тока и напряжения на её элементах. Правильность расчета подтвердите составлением баланса мощностей. Схема цепи представлена на рисунке 1.1. Значения параметров элементов цепи указаны в таблице 1.1. Расчет выполните всеми перечисленными методами:
1) метод непосредственного применения законов Кирхгофа,
2) метод структурных преобразований цепи
- при условии Е=0,
- при условии U=0
3) метод наложения,
4) метод эквивалентного генератора (постройте график изменения тока в одной из ветвей в зависимости от величины сопротивления резисторов этой ветви).
Рисунок 1.1
Таблица 1.1
Е, В | U, В | R1 ОМ | R2 ОМ | R3 ОМ | R4 ОМ | R5 ОМ |
95 | 145 | 22 | 42 | 14 | 55 | 26 |
Характеристики решённой задачи
Номер задания
Вариант
Программы
Просмотров
9
Качество
Идеальное компьютерное
Размер
1,21 Mb
Список файлов
Задача.doc
