Для студентов НГТУ по предмету Теоретические основы электротехники (ТОЭ)Расчет линейных цепей синусоидального токаРасчет линейных цепей синусоидального тока
5,0053099
2025-06-192025-06-19СтудИзба
ДЗ: Расчет линейных цепей синусоидального тока
Описание

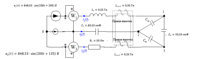
- Разметить одноименные зажимы индуктивно связанных катушек.
- Составить для рассматриваемой цепи систему уравнений по законам Кирхгофа для мгновенных значений и в символической форме.
- Сделать «развязку» индуктивных связей в цепи.
- Рассчитать токи в ветвях символическим методом. Записать мгновенные значения токов.
- Составить баланс мощности. Определить показания ваттметров.
- Построить круговую диаграмму для указанного в варианте задания тока при изменении модуля заданного сопротивления от нуля до бесконечности.
- По круговой диаграмме определить наибольшее и наименьшее значения этого тока, а также величину этого тока при значении переменной величины, совпадающей с заданным значением этой величины.

Характеристики домашнего задания
Учебное заведение
Просмотров
2
Качество
Идеальное компьютерное
Размер
621,42 Kb
Список файлов
raschetlineynyhcepeysinusoidalnogotoka.docx

Все деньги, вырученные с продажи, идут исключительно на шаурму