Главная » Учебные материалы » Теоретические основы электротехники (ТОЭ) » Курсовые работы » СибГУ им. М.Ф. Решетнева » Несколько классов/семестров » Расчет переходных процессов в линейных электрических цепях I и II порядка. Расчёт нелинейных электрических и магнитных цепей постоянного тока
Для студентов СибГУ им. М.Ф. Решетнева по предмету Теоретические основы электротехники (ТОЭ)Расчет переходных процессов в линейных электрических цепях I и II порядка. Расчёт нелинейных электрических и магнитных цепей постоянного токаРасчет переходных процессов в линейных электрических цепях I и II порядка. Расчёт нелинейных электрических и магнитных цепей постоянного тока
5,0054082
2025-12-20СтудИзба

Расчет переходных процессов в линейных электрических цепях I и II порядка. Расчёт нелинейных электрических и магнитных цепей постоянного тока

Описание

вариант 6.7.19).
ОГЛАВЛЕНИЕ
Задание 3
1 Переходные процессы в линейный электрических цепях 4
1.1 Расчет цепи первого порядка классическим методом 4
1.2 Расчет цепи второго порядка 9
1.2.1 Классический метод 10
1.2.2 Операторный метод 14
2 Нелинейные электрические и магнитные цепи 17
2.1 Расчет нелинейной электрической цепи 17
2.2 Расчет магнитной цепи постоянного тока 23
Заключение 36
Список использованных источников 37

Цепь I порядка
  1. Классическим методом определить ток, протекающий через источник, ток в индуктивности или напряжение на емкости. ЭДС источника .
  2. Построить кривую тока источника по результатам расчета.

Цепь II порядка
  1. Классическим методом определить напряжение на реактивных элементах и все токи. Напряжение источника постоянно:
𝑈 = 𝑐𝑜𝑛𝑠𝑡.
  1. Операторным методом определить ток в индуктивности и напряжение на емкости.
  2. Построить кривую тока источника, тока в индуктивности и напряжения на емкости по результатам расчета.

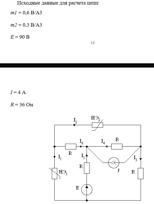
Нелинейная электрическая цепь постоянного тока.
  1. Определить токи во всех ветвях предложенной нелинейной электрической цепи графическим методом сложения характеристик или методом двух узлов.
  2. Проверить правильность графического решения методом линеаризации характеристик нелинейных элементов в окрестности приближенного графического решения.

Магнитная цепь постоянного тока.
  1. Рассчитать магнитную цепь графическим методом, используя метод двух узлов и определить искомые величины.
  2. Составить расчетную схему замещения магнитной цепи.
  3. Найти изменение магнитного потока в стержне с воздушным зазором при увеличении (уменьшении) воздушного зазора в 2 раза.
  4. По результатам п.1 найти магнитное напряжение между двумя точками магнитопровода, выбранных по своему усмотрению.
  5. Определить энергию магнитного поля в воздушном зазоре магнитопровода и силу, стягивающую полюса в воздушном зазоре.

Характеристики курсовой работы

Учебное заведение
Просмотров
11
Качество
Идеальное компьютерное
Размер
458,96 Kb

Список файлов

kursovaya_rabota_po_toe_khoroshevskiy_v_v-1.docx
Картинка-подпись
Если нужен другой вариант работы или отдельная задача из любой работы, пишите в комментарии

Вопросы

Вопрос
здравствуйте, срочно нужна курсовая работа по ТОЭ "Расчет переходных процессов в линейных
электрических цепях I и II порядка. Расчёт нелинейных электрических и магнитных
цепей постоянного тока" вариант 7.8.20
Поделитесь ссылкой:
Цена: 800 руб.
Расширенная гарантия +3 недели гарантии, +10% цены
Рейтинг автора
5 из 5
Поделитесь ссылкой:
Сопутствующие материалы

Подобрали для Вас услуги

-17%
Вы можете использовать курсовую работу для примера, а также можете ссылаться на неё в своей работе. Авторство принадлежит автору работы, поэтому запрещено копировать текст из этой работы для любой публикации, в том числе в свою курсовую работу в учебном заведении, без правильно оформленной ссылки. Читайте как правильно публиковать ссылки в своей работе.
Свежие статьи
Популярно сейчас
А знаете ли Вы, что из года в год задания практически не меняются? Математика, преподаваемая в учебных заведениях, никак не менялась минимум 30 лет. Найдите нужный учебный материал на СтудИзбе!
Ответы на популярные вопросы
Да! Наши авторы собирают и выкладывают те работы, которые сдаются в Вашем учебном заведении ежегодно и уже проверены преподавателями.
Да! У нас любой человек может выложить любую учебную работу и зарабатывать на её продажах! Но каждый учебный материал публикуется только после тщательной проверки администрацией.
Вернём деньги! А если быть более точными, то автору даётся немного времени на исправление, а если не исправит или выйдет время, то вернём деньги в полном объёме!
Да! На равне с готовыми студенческими работами у нас продаются услуги. Цены на услуги видны сразу, то есть Вам нужно только указать параметры и сразу можно оплачивать.
Отзывы студентов
Ставлю 10/10
Все нравится, очень удобный сайт, помогает в учебе. Кроме этого, можно заработать самому, выставляя готовые учебные материалы на продажу здесь. Рейтинги и отзывы на преподавателей очень помогают сориентироваться в начале нового семестра. Спасибо за такую функцию. Ставлю максимальную оценку.
Лучшая платформа для успешной сдачи сессии
Познакомился со СтудИзбой благодаря своему другу, очень нравится интерфейс, количество доступных файлов, цена, в общем, все прекрасно. Даже сам продаю какие-то свои работы.
Студизба ван лав ❤
Очень офигенный сайт для студентов. Много полезных учебных материалов. Пользуюсь студизбой с октября 2021 года. Серьёзных нареканий нет. Хотелось бы, что бы ввели подписочную модель и сделали материалы дешевле 300 рублей в рамках подписки бесплатными.
Отличный сайт
Лично меня всё устраивает - и покупка, и продажа; и цены, и возможность предпросмотра куска файла, и обилие бесплатных файлов (в подборках по авторам, читай, ВУЗам и факультетам). Есть определённые баги, но всё решаемо, да и администраторы реагируют в течение суток.
Маленький отзыв о большом помощнике!
Студизба спасает в те моменты, когда сроки горят, а работ накопилось достаточно. Довольно удобный сайт с простой навигацией и огромным количеством материалов.
Студ. Изба как крупнейший сборник работ для студентов
Тут дофига бывает всего полезного. Печально, что бывают предметы по которым даже одного бесплатного решения нет, но это скорее вопрос к студентам. В остальном всё здорово.
Спасательный островок
Если уже не успеваешь разобраться или застрял на каком-то задание поможет тебе быстро и недорого решить твою проблему.
Всё и так отлично
Всё очень удобно. Особенно круто, что есть система бонусов и можно выводить остатки денег. Очень много качественных бесплатных файлов.
Отзыв о системе "Студизба"
Отличная платформа для распространения работ, востребованных студентами. Хорошо налаженная и качественная работа сайта, огромная база заданий и аудитория.
Отличный помощник
Отличный сайт с кучей полезных файлов, позволяющий найти много методичек / учебников / отзывов о вузах и преподователях.
Отлично помогает студентам в любой момент для решения трудных и незамедлительных задач
Хотелось бы больше конкретной информации о преподавателях. А так в принципе хороший сайт, всегда им пользуюсь и ни разу не было желания прекратить. Хороший сайт для помощи студентам, удобный и приятный интерфейс. Из недостатков можно выделить только отсутствия небольшого количества файлов.
Спасибо за шикарный сайт
Великолепный сайт на котором студент за не большие деньги может найти помощь с дз, проектами курсовыми, лабораторными, а также узнать отзывы на преподавателей и бесплатно скачать пособия.
Популярные преподаватели
Добавляйте материалы
и зарабатывайте!
Продажи идут автоматически
7015
Авторов
на СтудИзбе
261
Средний доход
с одного платного файла
Обучение Подробнее