Для студентов СибГУ им. М.Ф. Решетнева по предмету Теоретические основы электротехники (ТОЭ)Расчет цепи постоянного тока методом эквивалентного сопротивленияРасчет цепи постоянного тока методом эквивалентного сопротивления
5,0053249
2025-05-152025-05-15СтудИзба
Лабораторная работа: Расчет цепи постоянного тока методом эквивалентного сопротивления
Описание
Цель работы: расчет цепи постоянного тока методом эквивалентного сопротивления.
Задание
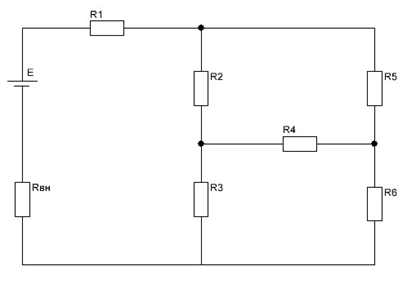
Для электрической цепи, определить:
- эквивалентное сопротивление приемников электрической энергии Rэ;
- токи всех ветвей цепи;
- напряжение на зажимах источника (точки а и б) и падение напряжения на его внутреннем сопротивлении;
- потери мощности в источнике и КПД электрической цепи.
Составить баланс мощностей.
Рассчитать и построить график внешней характеристики источника. Проанализировать влияние величины внутреннего сопротивления на наклон внешней характеристики источника.
Таблица 1. Исходные данные.
Задание
Для электрической цепи, определить:
- эквивалентное сопротивление приемников электрической энергии Rэ;
- токи всех ветвей цепи;
- напряжение на зажимах источника (точки а и б) и падение напряжения на его внутреннем сопротивлении;
- потери мощности в источнике и КПД электрической цепи.
Составить баланс мощностей.
Рассчитать и построить график внешней характеристики источника. Проанализировать влияние величины внутреннего сопротивления на наклон внешней характеристики источника.

Вариант | Е | Rвн | R1 | R2 | R3 | R4 | R5 | R6 |
4 | В | Ом | ||||||
60 | 0,7 | 6 | 31 | 8 | 17 | 21 | 13 |
Характеристики лабораторной работы
Учебное заведение
Просмотров
1
Качество
Идеальное компьютерное
Размер
63,41 Kb
Список файлов
LR1_8.docx

Если нужен другой вариант работы или отдельная задача из любой работы, пишите в комментарии