Для студентов СибГУ им. М.Ф. Решетнева по предмету Теоретические основы электротехники (ТОЭ)Расчет цепи постоянного тока методом контурных токовРасчет цепи постоянного тока методом контурных токов
5,0053249
2025-05-152025-05-15СтудИзба
Лабораторная работа: Расчет цепи постоянного тока методом контурных токов
Описание
Цель работы: расчет цепи постоянного тока методом контурных токов.
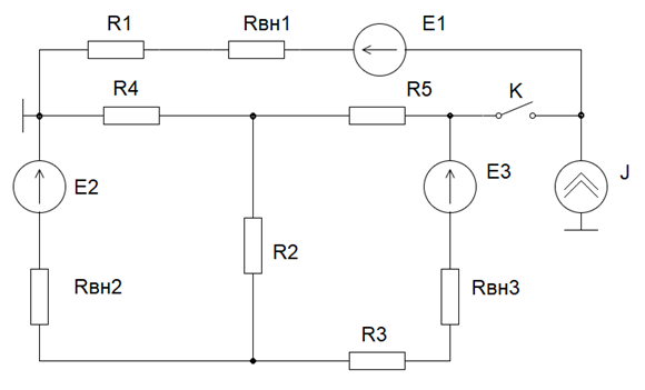
Для электрической цепи, определить:
- токи всех ветвей цепи при замкнутом и разомкнутом положении ключа К, которым к цепи присоединяется источник J;
- составить баланс мощностей.
![]()
Для электрической цепи, определить:
- токи всех ветвей цепи при замкнутом и разомкнутом положении ключа К, которым к цепи присоединяется источник J;
- составить баланс мощностей.
Вариант | E1 | E2 | E3 | Rвн1 | Rвн2 | Rвн3 |
4 | В | Ом | ||||
60 | 180 | 20 | 0,7 | 0,3 | 0,8 | |
R1 | R2 | R3 | R4 | R5 | J | |
Ом | А | |||||
12 | 31 | 8 | 17 | 21 | 7 |

Характеристики лабораторной работы
Учебное заведение
Просмотров
6
Качество
Идеальное компьютерное
Размер
95,04 Kb
Список файлов
LR2_8.docx

Если нужен другой вариант работы или отдельная задача из любой работы, пишите в комментарии