Для студентов МГТУ им. Г.И.Носова в г. Белорецк по предмету Теоретическая механикаРеакции в опорахРеакции в опорах
4,935238
2025-03-242025-03-24СтудИзба
Вопросы/задания к контрольной работе: Реакции в опорах
Описание
Задача №4
Для заданной арки найти реакции в опорах и выполнить проверку найденных реакций
З
Задача №3.
Найти реакции в опорах балки.

Задача №2
Определить положение центра тяжести сечения, состоящего из простых геометрических фигур
Задача №1
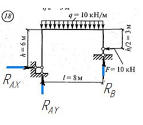
Для заданной рамы на двух опорах найти реакции в опорах из условий и уравнений равновесия статики. Выполнить проверку найденных реакций.
- шарнирно- неподвижная опора
- шарнирно- подвижная опора

Характеристики вопросов/заданий к КР
Предмет
Учебное заведение
Просмотров
3
Размер
331,2 Kb
Список файлов
Primer_vypolnenia_kontrolnoy_raboty(1).docx
Комментарии
Нет комментариев
Стань первым, кто что-нибудь напишет!
МГТУ им. Г.И.Носова в г. Белорецк
vitalievnatalia

















