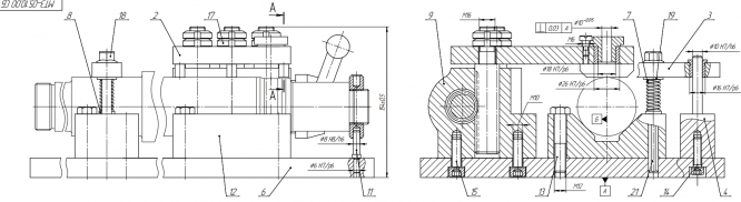
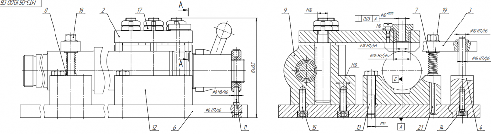
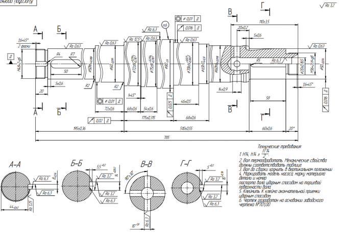
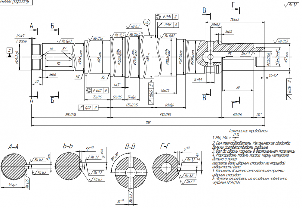
Для студентов МГТУ им. Н.Э.Баумана по предмету Технология производства машин (МТ-3)Технологический процесс изготовления вал НК200/120-70 и необходимое приспособлениеТехнологический процесс изготовления вал НК200/120-70 и необходимое приспособление
4,88560
2021-06-302021-06-30СтудИзба
Курсовая работа: Технологический процесс изготовления вал НК200/120-70 и необходимое приспособление
Описание
Характеристики курсовой работы
Учебное заведение
Просмотров
50
Размер
1,09 Mb
Список файлов
9
МТП.pdf
ОТП 2.pdf
ОТП.pdf
Приспособление.pdf
Сборка приспособления.pdf
деталь.pdf
МГТУ им. Н.Э.Баумана



















