Для студентов МГТУ им. Н.Э.Баумана по предмету Технология производства машин (МТ-3)Технологический процессизготовления наконечник и необходимое приспособлениеТехнологический процессизготовления наконечник и необходимое приспособление
4,88560
2021-06-302021-06-30СтудИзба
Курсовая работа: Технологический процессизготовления наконечник и необходимое приспособление
Описание
Технологический процессизготовления наконечник и необходимое приспособление
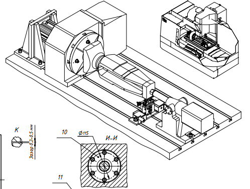
Курсовой проект посвящен разработке технологического процесса
изготовления детали «наконечник», проектированию станочного
приспособления для установки заготовки. Чертежи были добровольно
предоставлены заводом МВЗ им. Миля. Работа состоит из графической части и
текстовой. В графической части были отражены результаты разработок на 5
листах формата А1. Графическая часть проекта содержит ТП сборки
приспособления, маршрутный ТП изготовления наконечника, операционные
эскизы, чертеж приспособления. Текстовая часть проекта отражает ход
процесса разработки и раскрывает решения с приведением требуемых расчетов.
В проекте рассмотрены основные аспекты, касающиеся разработки ТП в
условиях среднесерийного производства. В ходе разработки ТП проводился
анализ рынка современных средств технологического оснащения с целью
последующего применения их в ТП, а также большинство вычислений
выполнены посредством ЭВМ.
Курсовой проект посвящен разработке технологического процесса
изготовления детали «наконечник», проектированию станочного
приспособления для установки заготовки. Чертежи были добровольно
предоставлены заводом МВЗ им. Миля. Работа состоит из графической части и
текстовой. В графической части были отражены результаты разработок на 5
листах формата А1. Графическая часть проекта содержит ТП сборки
приспособления, маршрутный ТП изготовления наконечника, операционные
эскизы, чертеж приспособления. Текстовая часть проекта отражает ход
процесса разработки и раскрывает решения с приведением требуемых расчетов.
В проекте рассмотрены основные аспекты, касающиеся разработки ТП в
условиях среднесерийного производства. В ходе разработки ТП проводился
анализ рынка современных средств технологического оснащения с целью
последующего применения их в ТП, а также большинство вычислений
выполнены посредством ЭВМ.
Характеристики курсовой работы
Учебное заведение
Просмотров
23
Размер
5,23 Mb
Список файлов
Курсовое проектирование
Деталь.pdf
МТП.pdf
ОТП (2).pdf
ОТП.pdf
Приспособление.pdf
РПЗ.pdf
Сборка приспособления.pdf
Эскиз заготовки.pdf
Комментарии
Нет комментариев
Стань первым, кто что-нибудь напишет!
МГТУ им. Н.Э.Баумана


















