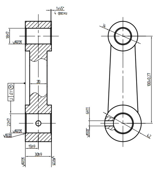
Для студентов МГТУ им. Н.Э.Баумана по предмету Технология машиностроения (ТМ)ДЗ - 11 вариант рычагДЗ - 11 вариант рычаг
2,7455
2023-06-182023-06-18СтудИзба
ДЗ: ДЗ - 11 вариант рычаг
-65%
Описание
Характеристики домашнего задания
Учебное заведение
Просмотров
98
Качество
Идеальное компьютерное
Размер
799,28 Kb
Список файлов
тмп 11 рычаг.docx

МГТУ им. Н.Э.Баумана



















