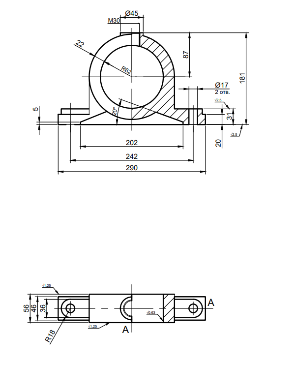
Для студентов МГТУ им. Н.Э.Баумана по предмету Технология конструкционных материалов (ТКМ)Разработка технологии изготовления отливок - Корпус подшипникаРазработка технологии изготовления отливок - Корпус подшипника
5,00515
2021-12-212024-10-23СтудИзба
ДЗ 1: Разработка технологии изготовления отливок - Корпус подшипника вариант 22, 37
-36%
Описание
Характеристики домашнего задания
Учебное заведение
Номер задания
Просмотров
247
Качество
Идеальное компьютерное
Размер
425 Kb
Список файлов
1 лист.pdf
2 лист.pdf
3 лист.pdf
ткм ДЗ№1 вар 22.docx
Отзывы
Отзыв
Изображения хорошие

МГТУ им. Н.Э.Баумана


















