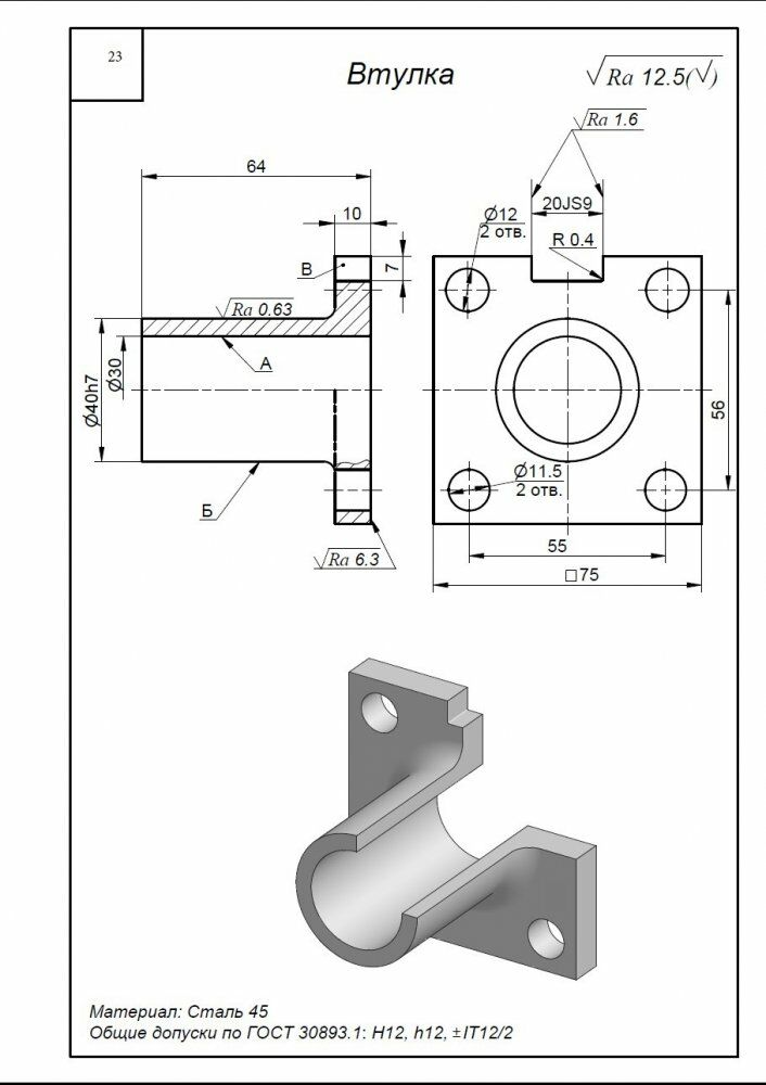
Для студентов МГТУ им. Н.Э.Баумана по предмету ПрактикаВтулка, 23 вариант, организационная практика, ММЗ "Знамя"Втулка, 23 вариант, организационная практика, ММЗ "Знамя"
5,0052
2020-09-162020-09-16СтудИзба
Отчёт по практике: Втулка, 23 вариант, организационная практика, ММЗ "Знамя"
Описание
Характеристики отчёта по практике
Предмет
Учебное заведение
Семестр
Просмотров
89
Размер
319,15 Kb
Список файлов
otche_776_t_zharov_v_o_mt1-41b.docx
Комментарии
Нет комментариев
Стань первым, кто что-нибудь напишет!
МГТУ им. Н.Э.Баумана
Сильвестр Сталлоне

















