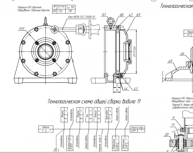
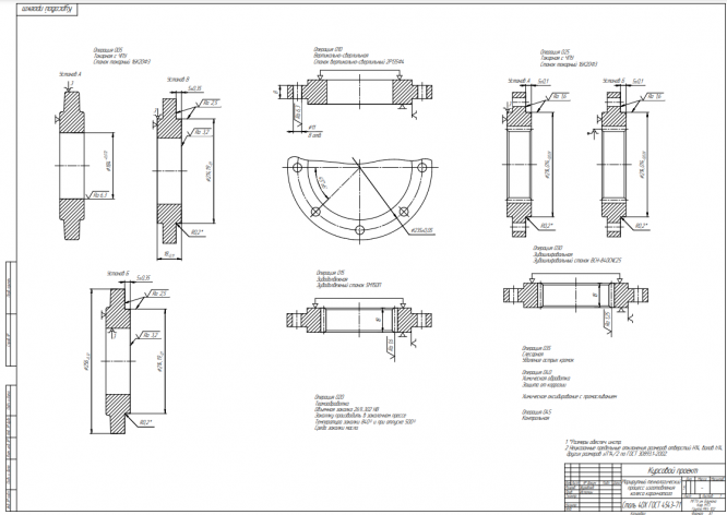
Для студентов МГТУ им. Н.Э.Баумана по предмету Технология машиностроения (ТМ)Разработка технологического процесса сборки планетарного редуктора и механической обработки детали колеса корончатогоРазработка технологического процесса сборки планетарного редуктора и механической обработки детали колеса корончатого
4,90547366
2021-05-252024-09-03СтудИзба
Курсовая работа: Разработка технологического процесса сборки планетарного редуктора и механической обработки детали колеса корончатого
-41%
Описание
Характеристики курсовой работы
Учебное заведение
Просмотров
38
Размер
864,55 Kb
Список файлов
Разработка технологического процесса сборки планетарного редуктора и механической обработки детали колеса корончатого
Capture.PNG
Лист 1 Технологический процесс сборки.pdf
Лист 2 Маршрут оработки колеса.pdf
Лист 3 Операционные эскизы.pdf
Лист 4 Станочное приспособление.pdf
Лист 5 Контрольное приспособление..pdf
МК_КТП Мотор-редуктор.pdf
МК_ТП Колеса корончатого.pdf

Друзья, спасибо за доверие! Если вам понравилась работа – поставьте 5⭐ и напишите отзыв. Это поможет другим студентам, а мне даст силы делать ещё больше качественных материалов для вас 🔥