Для студентов МГТУ им. Н.Э.Баумана по предмету Технология машиностроения (ТМ)Разработка маршрутного и операционного эскиза обработки детали - Вал червячного колесаРазработка маршрутного и операционного эскиза обработки детали - Вал червячного колеса
5,0057
2021-01-262021-01-26СтудИзба
ДЗ 1, 2: Разработка маршрутного и операционного эскиза обработки детали - Вал червячного колеса
Описание
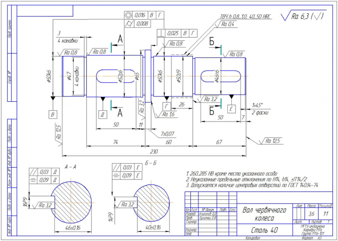
Часть 1 - Разработка маршрутного эскиза обработки детали

Технические требования, предъявляемые к валу, обуславливаются условиями его эксплуатации. Рассматриваются особые требования, предъявляемые к детали, на которых необходимо заострить внимание при изготовлении.
- Требования к твердости
- Требования к шероховатости
- Требования к точности взаимного расположения поверхностей
- Требования к точности формы
- Требования к точности размеров
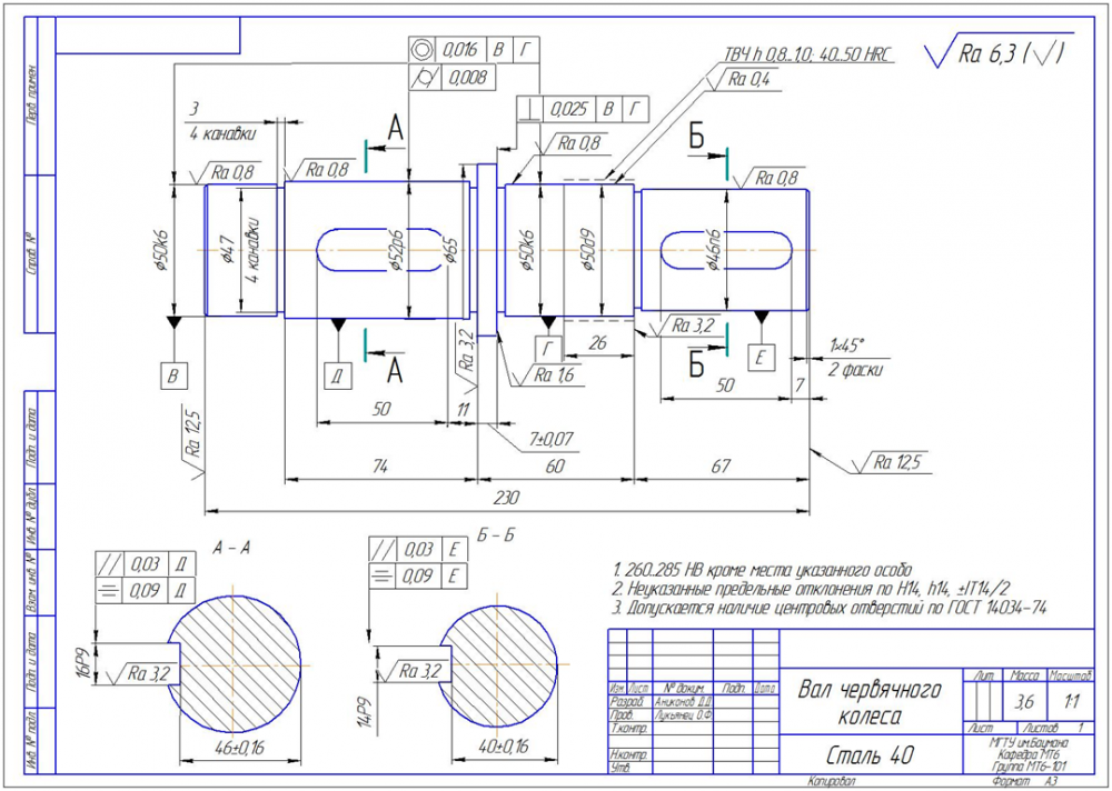
Часть 2 - Разработка операционного эскиза обработки детали
Операционный эскиз обработки деталиТехнологическая карта разработки детали

Файлы условия, демо
Характеристики домашнего задания
Учебное заведение
Просмотров
172
Качество
Идеальное компьютерное
Размер
3,19 Mb
Преподаватели
Список файлов
Часть 1.docx
Часть 2.docx
Технологическая карта - Лист 1.doc
Технологическая карта - Лист 2.doc
Технологическая карта - Лист 3.doc
Технологическая карта - Лист 4.doc

Вам все понравилось? Получите кэшбэк - 40 рублей на Ваш счёт при покупке. Поставьте оценку и напишите положительный комментарий к купленному файлу. После Вы получите деньги на ваш счет.