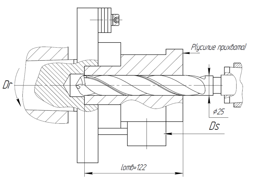
Расчет конструктивных и геометрических параметров спирального сверла; Графическое построение конической заточки (отверстие 25 мм. длиной 35,5 мм., материал детали: Сталь 40Х, твердость 230 HB)
Описание
- ДЗ № 1 по дисциплине "Основы проектирования режущих инструментов" на тему: "Расчет конструктивных и геометрических параметров спирального сверла"
Для выполнения домашнего задания были назначены исходные данные из курсового проекта по курсу: «Проектирование операций механической обработки».
Необходимо выполнить расчет конструктивных и геометрических параметров спирального сверла для обработки отверстия диаметром 25 мм глубиной 35,5 мм.
Материал детали: Сталь 40Х ГОСТ 4543-71; твердость НВ230; σв=655 МПа.
Тип производства: единичное.

- ДЗ № 2 по дисциплине "Основы проектирования режущих инструментов" на тему: "Графическое построение конической заточки"
![]()
- Файл содержит готовое ДЗ в ворде с титульником, чертежи в PDF и формата КОМПАС. Все верно и зачтено!
Характеристики домашнего задания
Учебное заведение
Семестр
Теги
Просмотров
1
Размер
633,72 Kb
Преподаватели
Список файлов
Новая папка (3)
KOMPAS - Чертеж.pdf
Ворнавской.docx
ДЗ2.docx
Чертеж.cdw
Чертеж.cdw.bak
Комментарии
Нет комментариев
Стань первым, кто что-нибудь напишет!

МГТУ им. Н.Э.Баумана
vk_154348585


















