ДЗ 1: Разработка технологии изготовления отливок - Шкив вариант 52
Описание
- Выполнено согласно методике, лекциям и семинарам Дрижова.
- Проверено Дрижовым и сдано с первого раза.
- При обнаружении недочетов ДЗ возможна доработка.
- Возможно решение вашего варианта в индивидуальном порядке, пишите в Услуги/ЛС Студизба
- Выполнено в идеальном компьютерном качестве!
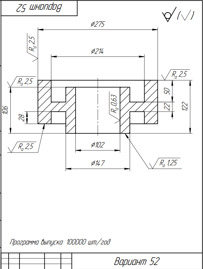
1. Чертеж в общем виде
2. Данные для получения отливки
3. Чертеж литейной формы
4. Чертеж элементов литейной формы и отливки
Характеристики домашнего задания
Учебное заведение
Номер задания
Вариант
Просмотров
30
Качество
Идеальное компьютерное
Размер
418,22 Kb
Преподаватели
Список файлов
Чертеж Отливки.pdf
Чертеж элементов литейной формы и отливки.pdf
Данные для получения заготовки с помощью литья.odt
Общий чертеж.pdf
Удачи в сдаче заданий и зачётов! Успехов!
Комментарии
Нет комментариев
Стань первым, кто что-нибудь напишет!
МГТУ им. Н.Э.Баумана
Author1

















