Для студентов МГТУ им. Н.Э.Баумана по предмету Технология конструкционных материалов (ТКМ)Механическая обработка заготовок деталей машин - МуфтаМеханическая обработка заготовок деталей машин - Муфта
5,00518
2021-01-252024-09-01СтудИзба
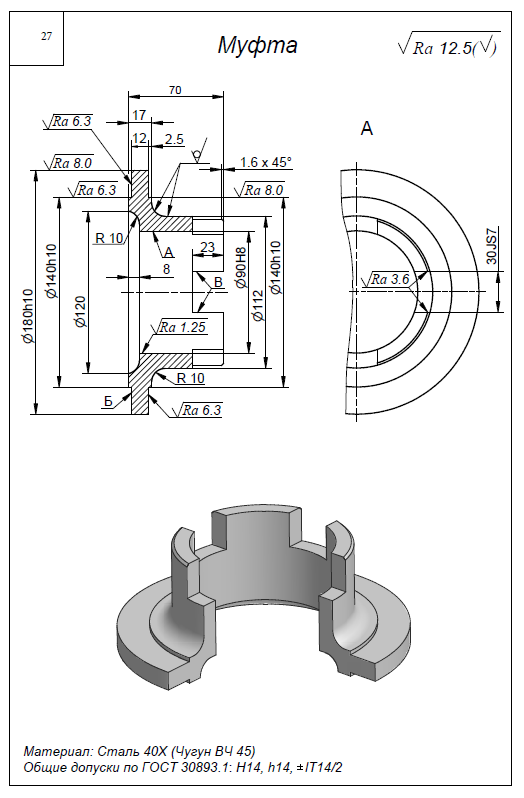
ДЗ 3: Механическая обработка заготовок деталей машин - Муфта вариант 6, 27
-51%
Описание
Содержание
- Условия работы детали
- Программа выпуска
- Металлургическое производство профилей
- Методы производства
- Проектирование и изготовление детали механической обработкой резанием профиля
- Анализ исходных данных детали
- Выбор вида механической обработки заготовки резанием
- Выбор заготовки
- Условия технической реализации обработки поверхностей
- Оценка технологичности конструкции детали
- Последовательность механической обработки заготовки
- Анализ технологичности конструкции детали
- Вывод
Характеристики домашнего задания
Учебное заведение
Номер задания
Программы
Просмотров
371
Качество
Идеальное компьютерное
Размер
835,55 Kb
Список файлов
Механическая обработка заготовок деталей машин - Муфта.pdf

Вам все понравилось? Получите кэшбэк - 40 рублей на Ваш счёт при покупке. Поставьте оценку и напишите положительный комментарий к купленному файлу. После Вы получите деньги на ваш счет.