Для студентов МГТУ им. Н.Э.Баумана по предмету Технология конструкционных материалов (ТКМ)Механическая обработка заготовок деталей машин - ЦапфаМеханическая обработка заготовок деталей машин - Цапфа
5,0051
2021-04-012024-09-03СтудИзба
ДЗ 3: Механическая обработка заготовок деталей машин - Цапфа вариант 16, 24
-66%
Описание
Зачтено на максимальный балл
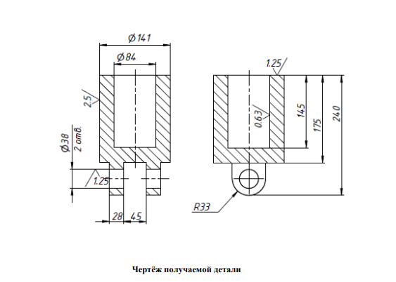
Для детали, получение отливки которой разрабатывалось вами в домашнем задании № 1.1, требуется: 1) изобразить чертёж получаемой детали; 2) подобрать необходимые виды механической обработки и используемый инструмент для обеспечения заданной шероховатости поверхности; 3) изобразить положение заготовки и инструмента в позиции обработки, указав название выполняемых операций и словесную характеристику необходимых проходов (черновой, чистовой, тонкий и т.п.) и применяемых инструментов. Для наглядности изображений инструменты можно показывать не в масштабе (в увеличенном виде).
Характеристики домашнего задания
Учебное заведение
Номер задания
Просмотров
423
Размер
245,34 Kb
Список файлов
ДЗ № 2 вариант 16 -Резание.pdf

Друзья, спасибо за доверие! Если вам понравилась работа – поставьте 5⭐ и напишите отзыв. Это поможет другим студентам, а мне даст силы делать ещё больше качественных материалов для вас 🔥