ДЗ 2: Технология изготовления поковок - Подпятник вариант 15
Описание
ДЗ выполнено и зачтено в 2019 году. Преподаватель - Карпов. Внимательно смотрите на условие задания.
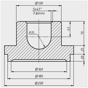
По заданному эскизу детали необходимо:
1. Вычислить объём детали.
2. Назначить припуски, штамповочные уклоны, радиусы закруглений.
3. Изобразить эскиз поковки.
4. Вычислить объём поковки.
5. Вычислить объём облоя.
6. Вычислить объём заготовки.
7. Вычислить КИМ.
8. Подобрать диаметр и высоту заготовки из выпускаемого сортамента круглой горячекатаной стали.
9. Рассчитать требуемую силу деформирования и взять ближайший больший по номинальной силе стандартный кривошипный горячештамповочный пресс.
![]()
По заданному эскизу детали необходимо:
1. Вычислить объём детали.
2. Назначить припуски, штамповочные уклоны, радиусы закруглений.
3. Изобразить эскиз поковки.
4. Вычислить объём поковки.
5. Вычислить объём облоя.
6. Вычислить объём заготовки.
7. Вычислить КИМ.
8. Подобрать диаметр и высоту заготовки из выпускаемого сортамента круглой горячекатаной стали.
9. Рассчитать требуемую силу деформирования и взять ближайший больший по номинальной силе стандартный кривошипный горячештамповочный пресс.

Характеристики домашнего задания
Учебное заведение
Номер задания
Вариант
Просмотров
244
Качество
Идеальное компьютерное
Размер
93,47 Kb
Список файлов
ДЗ 2 по ТКМ.docx
Комментарии
Нет комментариев
Стань первым, кто что-нибудь напишет!
МГТУ им. Н.Э.Баумана
















