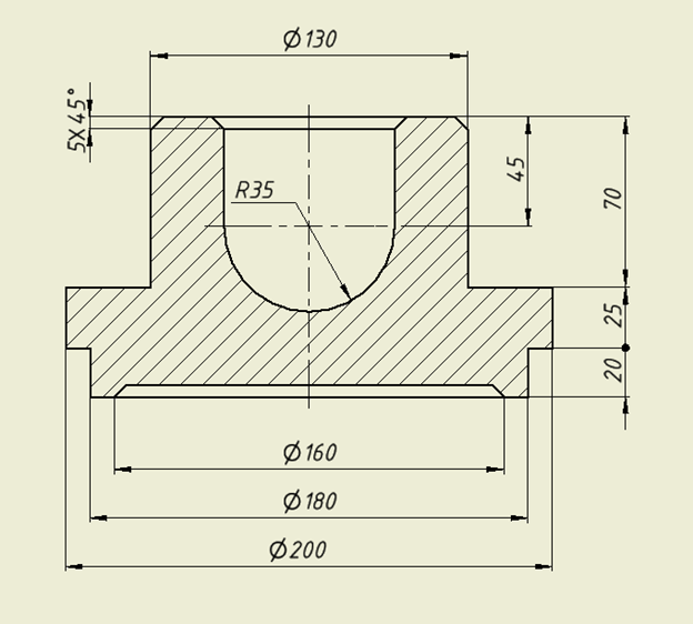
Для студентов МГТУ им. Н.Э.Баумана по предмету Технология конструкционных материалов (ТКМ)Технология изготовления поковок - ПодпятникТехнология изготовления поковок - Подпятник
5,0055
2021-05-142021-05-14СтудИзба
ДЗ 2: Технология изготовления поковок - Подпятник вариант 15
Описание
ДЗ принято Карповым С.М. в 2021 г. Выполнялось в Inventor'е
Характеристики домашнего задания
Учебное заведение
Номер задания
Вариант
Просмотров
138
Размер
353,97 Kb
Список файлов
ДЗ2_штамповка.docx
Комментарии
Нет комментариев
Стань первым, кто что-нибудь напишет!
МГТУ им. Н.Э.Баумана
tatyrom



















