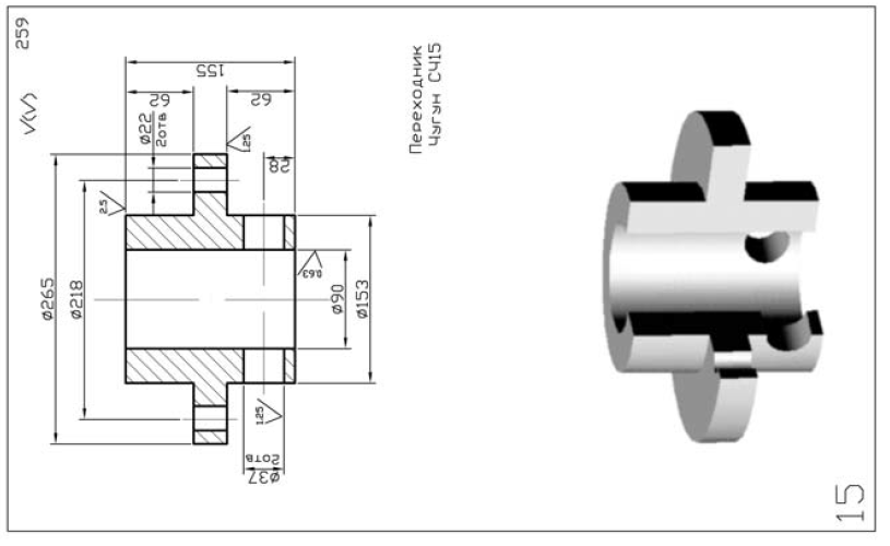
ДЗ 1: Разработка технологии изготовления отливок - Переходник вариант 15, 23
Описание
Рассмотрены два варианта расположения, рассчитаны припуски, уклоны и КИМ-ы для обоих вариантов, а также литниковая система, чертежи литейной формы и модельный комплект для более технологичного. Во вложениях есть файл маткада со всеми расчетами.
Характеристики домашнего задания
Учебное заведение
Номер задания
Просмотров
540
Качество
Идеальное компьютерное
Размер
426,48 Kb
Список файлов
tkm.xmcd
ТКМ ДЗ1, Литье.doc
Отзывы и вопросы
Отзыв
всё хорошо
Вопрос
какой преподаватель принимал?
Отзыв
Крутой файл)
МГТУ им. Н.Э.Баумана


















