Для студентов МГТУ им. Н.Э.Баумана по предмету Технология конструкционных материалов (ТКМ)Разработка технологии изготовления отливок - ПереходникРазработка технологии изготовления отливок - Переходник
4,85516
2020-10-082025-04-05СтудИзба
ДЗ 1: Разработка технологии изготовления отливок - Переходник вариант 23
Описание
ДЗ выполнено и зачтено в 2019 году. Преподаватель - Карпов.
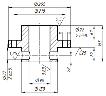
По заданному чертежу детали требуется изобразить форму отливки, определить коэффициент использования материала (КИМ), из нескольких возможных вариантов литья в песчаную форму выбрать наиболее рациональный и для него нарисовать литейную форму и модельный комплект. Все расчёты полностью привести в домашнем задании.![]()
По заданному чертежу детали требуется изобразить форму отливки, определить коэффициент использования материала (КИМ), из нескольких возможных вариантов литья в песчаную форму выбрать наиболее рациональный и для него нарисовать литейную форму и модельный комплект. Все расчёты полностью привести в домашнем задании.

Характеристики домашнего задания
Учебное заведение
Номер задания
Вариант
Просмотров
381
Качество
Идеальное компьютерное
Размер
180,19 Kb
Список файлов
ДЗ 1 по ТКМ.docx
Комментарии
Нет комментариев
Стань первым, кто что-нибудь напишет!
МГТУ им. Н.Э.Баумана

















