Для студентов МГТУ им. Н.Э.Баумана по предмету Технология энергомашиностроенияДомашнее задание (вариант №ТМ22)Домашнее задание (вариант №ТМ22)
5,00515
2021-04-122024-09-03СтудИзба
ДЗ: Домашнее задание (вариант №ТМ22) вариант 22
Бестселлер
-66%
Описание
Анализ технических требований, выявление технологических задач.
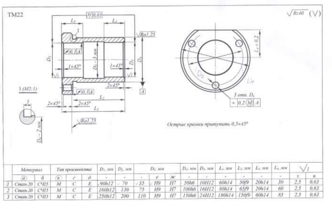
Деталь "Стакан" используется в станкостроении, предназначена для точной установки валов, поэтому к ней предъявляются высокие требования по точности, по биению и шероховатости. Деталь имеет цилиндрическую форму с фланцевой частью, предназначенной для крепления детали к стенке корпуса. В центральном отверстии имеются концентрично выполненные расточки, куда устанавливаются подшипники в которые запрессовываются концы вращающихся валов. От качества изготовления стаканов зависит надёжность и долговечность работы изделий и поэтому совершенствованию технологии их изготовления постоянно уделяется самое серьёзное внимание. Разработать технологический процесс изготовления изделия.
Деталь "Стакан" используется в станкостроении, предназначена для точной установки валов, поэтому к ней предъявляются высокие требования по точности, по биению и шероховатости. Деталь имеет цилиндрическую форму с фланцевой частью, предназначенной для крепления детали к стенке корпуса. В центральном отверстии имеются концентрично выполненные расточки, куда устанавливаются подшипники в которые запрессовываются концы вращающихся валов. От качества изготовления стаканов зависит надёжность и долговечность работы изделий и поэтому совершенствованию технологии их изготовления постоянно уделяется самое серьёзное внимание. Разработать технологический процесс изготовления изделия.


Характеристики домашнего задания
Учебное заведение
Вариант
Просмотров
255
Размер
1,07 Mb
Список файлов
Домашнее задание (вариант №ТМ22).pdf

Друзья, спасибо за доверие! Если вам понравилась работа – поставьте 5⭐ и напишите отзыв. Это поможет другим студентам, а мне даст силы делать ещё больше качественных материалов для вас 🔥