Курсовая работа: Проектирование литой заготовки для детали Втулка
Описание
Оглавление
2. Свойства материала, расшифровка марки. 8
3 Анализ основных способов и оборудования для отливок. 9
4. Обоснование выбора способа литья. 13
5. Расчет размеров отливки. 14
5.1 Класс размерной точности отливки. 14
5.2 Степень коробления элементов отливки. 14
5.3 Степень точности поверхностей отливки. 14
5.4 Шероховатость поверхностей отливки. 15
5.5 Класс точности массы отливки. 15
5.6 Ряды припусков на обработку отливки. 15
5.8 Допуски размеров отливок. 15
5.9 Допуски формы и расположения поверхностей отливок в диаметральном выражении. 16
5.11 Припуски на обработку отливок. 16
5.12 Расчет размеров отливки. 17
5.13 Назначение предельных отклонений размеров. 17
5.15 Назначение радиусов закруглений. 18
5.16 Обозначение точности массы отливки. 18
5.17 Обозначение точности отливок. 18
ВВЕДЕНИЕ
В современном мире машиностроение является одной из ключевых отраслей промышленности, обеспечивающей развитие и функционирование различных сфер деятельности. Важным аспектом в машиностроении является проектирование и производство качественных деталей, отвечающих требованиям надёжности, прочности и эффективности.
Одним из этапов проектирования деталей является выбор оптимальной технологии изготовления, включая выбор типа литейной заготовки. Литые заготовки позволяют существенно снизить затраты на производство, обеспечивая при этом необходимые характеристики готовой детали.
Целью данной курсовой работы является проектирование литой заготовки для детали «Втулка», с учётом требований к её размерам, массе, механическим свойствам и технологичности изготовления. В ходе работы будут рассмотрены различные способы для получения отливок, их преимущества и недостатки, а также обоснование выбора литья.
Для достижения поставленной цели необходимо решить следующие задачи:
- Изучить основные принципы и методы проектирования литых заготовок.
- Проанализировать требования к детали «Втулка» и определить оптимальные параметры заготовки.
- Выбрать наиболее подходящий метод литья для изготовления втулки.
В результате выполнения курсовой работы будет разработана оптимальная литая заготовка для детали «Втулка», соответствующая всем заданным требованиям и обеспечивающая эффективное производство качественной продукции.
1 Задание. Исходные данные
Технологичность детали втулки заключается в том, что она имеет форму конуса или цилиндра с осевым отверстием, которое позволяет сопрягать детали механизма без прямого контакта между ними. Это уменьшает трение и нагрузку на детали, повышая эффективность и стойкость к износу механизмов и узлов.
Служебное назначение втулки заключается в снижении трения между подвижными элементами в различных узлах и механизмах, а также в облегчении процесса сборки агрегатов. Втулки имеют цилиндрическую или коническую форму и осевое отверстие, предназначенное для размещения сочленяемой детали. Они играют важную роль в работе различных механизмов, станков, автомобилей и другой техники, предотвращая неисправности и повышая их надёжность.
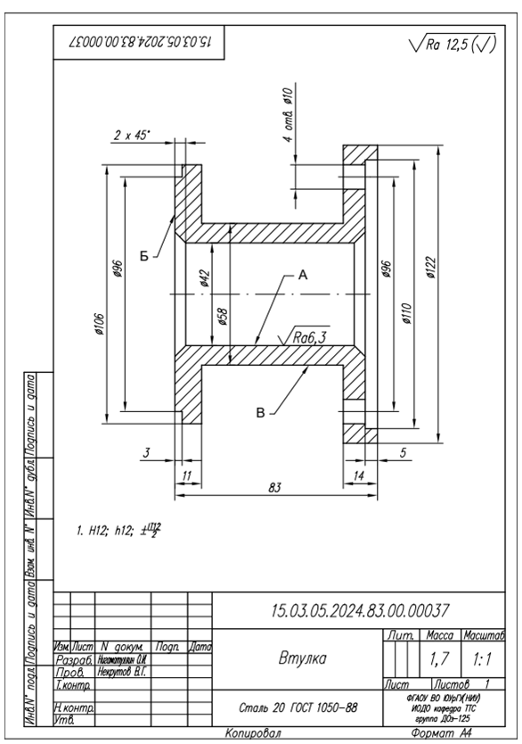
Деталь «Втулка» выполнена из стали 20 ГОСТ 1050-88, тип заготовки – литье.

Рисунок 1 – Эскиз детали «Втулка»
ЮУрГУ
all_at_700
















