Для студентов МГТУ им. Н.Э.Баумана по предмету Сопротивление материаловРастяжение — сжатие, КручениеРастяжение — сжатие, Кручение
4,985256
2025-07-102025-10-22СтудИзба
ДЗ 2: Растяжение — сжатие, Кручение вариант 18
-50%
Описание
Условие ДЗ
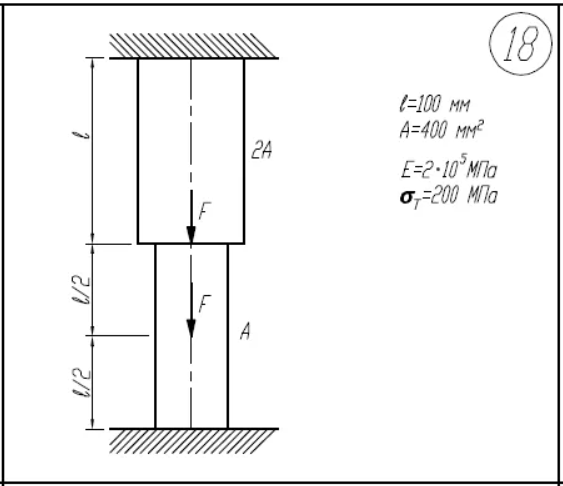
Задача №1:
![]()
Задача №2:
![]()
Задача №3:
![]()
Задача №1:

Задача №2:

Задача №3:

Характеристики домашнего задания
Предмет
Учебное заведение
Семестр
Номер задания
Вариант
Программы
Теги
Просмотров
30
Качество
Фото рукописных листов
Размер
436,01 Kb
Список файлов
С3 СМ ДЗ2 Вариант 18.pdf
Если тебе помогла данная работа, поставь оценку ❤️
Комментарии
Нет комментариев
Стань первым, кто что-нибудь напишет!
МГТУ им. Н.Э.Баумана
bomonec



















