Для студентов МГТУ им. Н.Э.Баумана по предмету Сопротивление материаловСтатически определимые балкиСтатически определимые балки
5,00512
2013-08-192025-10-20СтудИзба
ДЗ 3: Статически определимые балки вариант 18
-50%
Описание
Нужна только одна задача из всех? - Нажимай на ссылку
Задача 4.1 решена тремя способами:
- Метод Мора
- Способ Верещагина
- Метод Коши-Крылова (Метод начальных параметров)
Образец ![]()
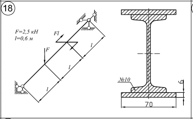
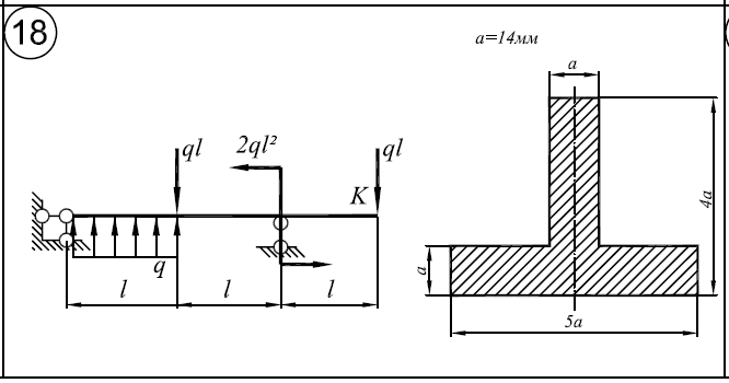
Показать/скрыть дополнительное описаниеДля заданной балки требуется: 1)Построить эпюры Q/y и M/x. 2)Определить n/Т при q=10кН/м; l=0,4м; σ/Тр=σ/Тсж=320МПа. 3)Определить линейное перемещение сечения К E=2*105/МПа 4)Нарисовать форму оси балки Для заданной балки требуется: 1)Построить эпюру моментов 2)Вычислить наибольшее нормальное напряжение в опасном сечении и определить коэффициент запаса по текучести (σ/Т=240МПа) 3)Построить эпюру нормальных напряжений в опасном сечении, изобразив сечение в масштабе 1:1 .
Файлы условия, демо
Характеристики домашнего задания
Предмет
Учебное заведение
Семестр
Номер задания
Вариант
Программы
Теги
Просмотров
1340
Качество
Идеальное компьютерное
Размер
678,47 Kb
Список файлов
Вариант 18 - Задача 4.1.pdf
Вариант 18 - Задача 4.2.pdf
Вариант 18 - Статически определимые балки.pdf

Вам все понравилось? Получите кэшбэк - 40 рублей на Ваш счёт при покупке. Поставьте оценку и напишите положительный комментарий к купленному файлу. После Вы получите деньги на ваш счет.