Для студентов МГТУ им. Н.Э.Баумана по предмету Сопротивление материаловЗадача 4.1Задача 4.1
5,0051
2019-12-022024-11-15СтудИзба
Задача 4.1 вариант 18
-38%
Описание


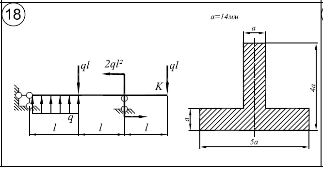
Для заданной балки требуется: 1)Построить эпюры Q/y и M/x. 2)Определить n/Т при q=10кН/м; l=0,4м; σ/Тр=σ/Тсж=320МПа. 3)Определить линейное перемещение сечения К E=2*105/МПа 4)Нарисовать форму оси балки .
Характеристики решённой задачи
Предмет
Учебное заведение
Семестр
Номер задания
Вариант
Программы
Теги
Просмотров
112
Качество
Идеальное компьютерное
Размер
189,11 Kb
Список файлов
Вариант 18 - Задача 4.1.pdf

Вам все понравилось? Получите кэшбэк - 40 рублей на Ваш счёт при покупке. Поставьте оценку и напишите положительный комментарий к купленному файлу. После Вы получите деньги на ваш счет.