Для студентов МГТУ им. Н.Э.Баумана по предмету Сопротивление материаловСтатически неопределимые задачи изгибаСтатически неопределимые задачи изгиба
5,00528
2015-06-172025-02-11СтудИзба
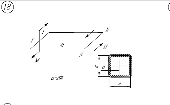
ДЗ 4: Статически неопределимые задачи изгиба вариант 18
-50%
Описание
Файлы условия, демо
Характеристики домашнего задания
Предмет
Учебное заведение
Семестр
Номер задания
Вариант
Просмотров
1920
Качество
Файлы различного качества
Размер
21,34 Mb
Список файлов
5.1.pdf
5.2.pdf
5.3.pdf
5-2.pdf
(5.2).pdf
(5.3).pdf

Вам все понравилось? Получите кэшбэк - 40 рублей на Ваш счёт при покупке. Поставьте оценку и напишите положительный комментарий к купленному файлу. После Вы получите деньги на ваш счет.