Для студентов МГТУ им. Н.Э.Баумана по предмету Сопротивление материаловСтатически определимые балкиСтатически определимые балки
5,00518
2015-12-042025-10-20СтудИзба
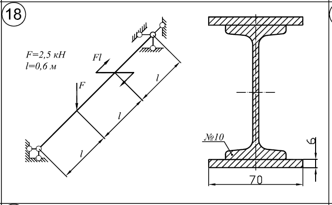
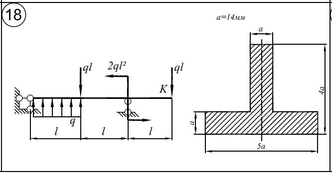
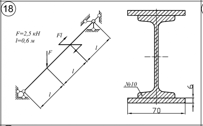
ДЗ 3: Статически определимые балки вариант 18
-50%
Описание
Файлы условия, демо
Характеристики домашнего задания
Предмет
Учебное заведение
Семестр
Номер задания
Вариант
Теги
Просмотров
2291
Качество
Скан рукописных листов
Размер
14,05 Mb
Список файлов
4.1.pdf
4.2.pdf
(4.1).pdf
(4.2).pdf

Вам все понравилось? Получите кэшбэк - 40 рублей на Ваш счёт при покупке. Поставьте оценку и напишите положительный комментарий к купленному файлу. После Вы получите деньги на ваш счет.