Для студентов МГТУ им. Н.Э.Баумана по предмету Сопротивление материаловСтатически неопределимые задачи изгибаСтатически неопределимые задачи изгиба
5,0053
2023-03-282025-02-23СтудИзба
ДЗ 4: Статически неопределимые задачи изгиба вариант 13
-55%
Описание
Вариант 13 - ДЗ №1 - Статически неопределимые задачи изгиба - Задача 1+Задача 2
Зачтено на максимальный балл 💥 💥 💥
Спасибо за покупку 🥰🥰🥰
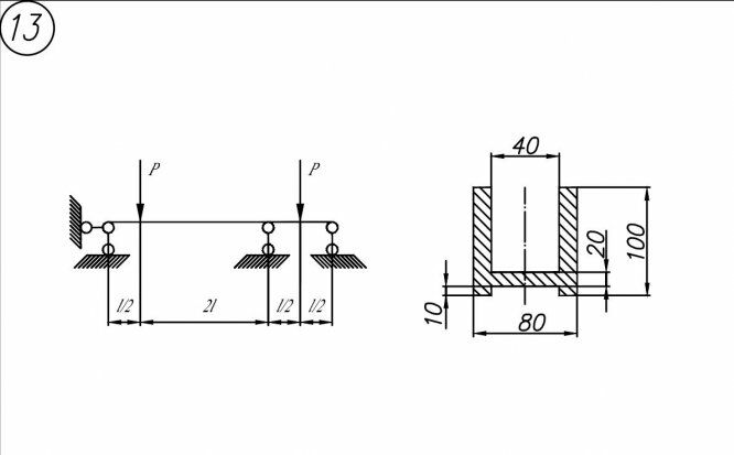
Задача 1
Произвести расчет балки при упругих деформацияха) Раскрыть статическую неопределимость и построить эпюры Qy и Mx
б) Определить допускаемую нагрузку
в) Примерный вид упругой линии балки


Вариант 13 - ДЗ №1 - Статически неопределимые задачи изгиба - Задача 2

Характеристики домашнего задания
Предмет
Учебное заведение
Семестр
Номер задания
Вариант
Просмотров
231
Размер
6,72 Mb
Список файлов
Вариант 13 - ДЗ №1 - Статически неопределимые задачи изгиба - Задача 2.pdf
Вариант 13 - ДЗ №1 - Статически неопределимые задачи изгиба - Задача 1.pdf

Друзья, спасибо за доверие! Если вам понравилась работа – поставьте 5⭐ и напишите отзыв. Это поможет другим студентам, а мне даст силы делать ещё больше качественных материалов для вас 🔥