Для студентов МГТУ им. Н.Э.Баумана по предмету Сопротивление материаловСтатически неопределимые задачи изгибаСтатически неопределимые задачи изгиба
5,0051
2023-03-012025-02-23СтудИзба
ДЗ 4: Статически неопределимые задачи изгиба вариант 17
-55%
Описание
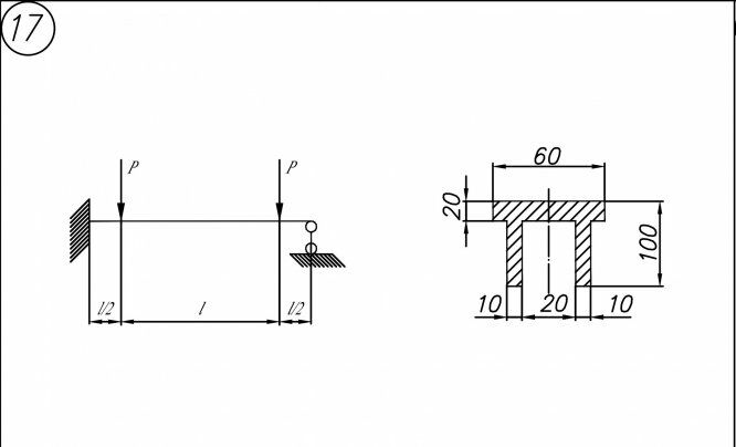
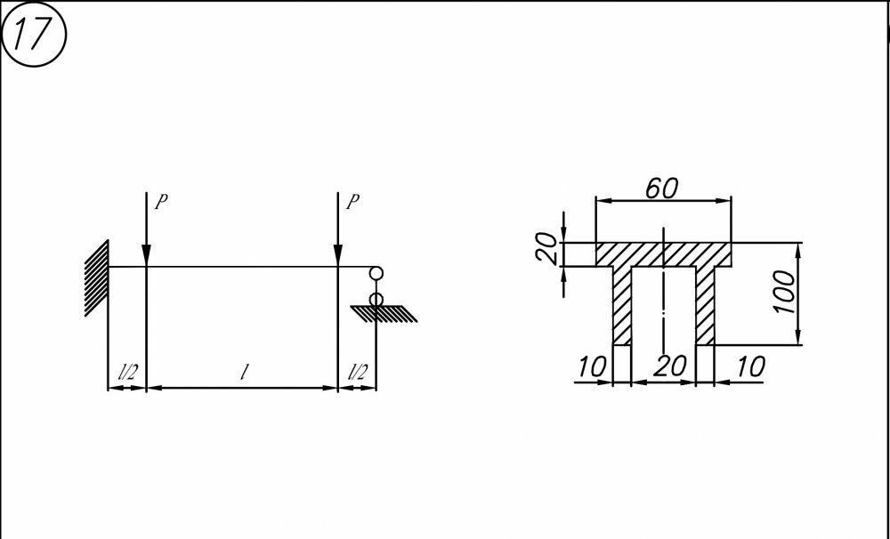
Вариант 17 - ДЗ №1 - Статически неопределимые задачи изгиба - Задача 5.1 + Задача 5.2
Зачтено на максимальный балл 💥 💥 💥 ![]()
Задача 1 Произвести расчет балки при упругих деформациях
а) Раскрыть статическую неопределимость и построить эпюры Qy и Mx
б) Определить допускаемую нагрузку
в) Примерный вид упругой линии балки

Задача 2 :


Файлы условия, демо
Характеристики домашнего задания
Предмет
Учебное заведение
Семестр
Номер задания
Вариант
Просмотров
135
Размер
11,13 Mb
Список файлов
Вариант 17 - ДЗ №1 - Статически неопределимые задачи изгиба - Задача 5.1 + Задача 5.2.pdf

Друзья, спасибо за доверие! Если вам понравилась работа – поставьте 5⭐ и напишите отзыв. Это поможет другим студентам, а мне даст силы делать ещё больше качественных материалов для вас 🔥