Для студентов МГТУ им. Н.Э.Баумана по предмету Сопротивление материаловСтатически определимые балкиСтатически определимые балки
4,97514546
2022-12-072024-09-04СтудИзба
Вариант 3 - ДЗ №3 - "Статически определимые балки"
ДЗ 3: Статически определимые балки вариант 3
Описание
Полный типовой расчет по сопротивлению материалов №3 "Статически определимые балки", 2 задачи, зачтено
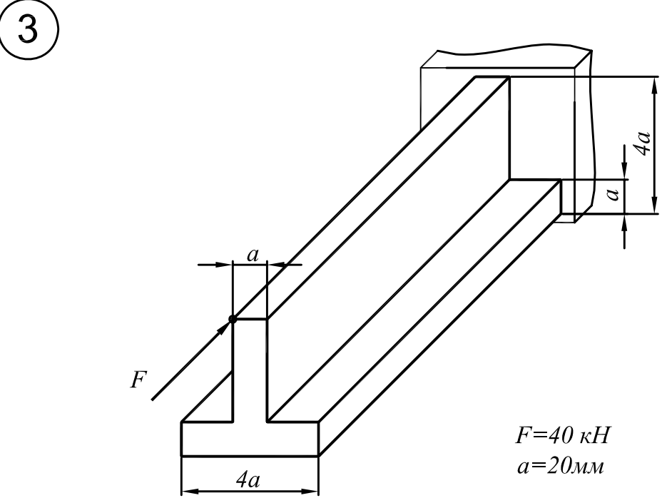
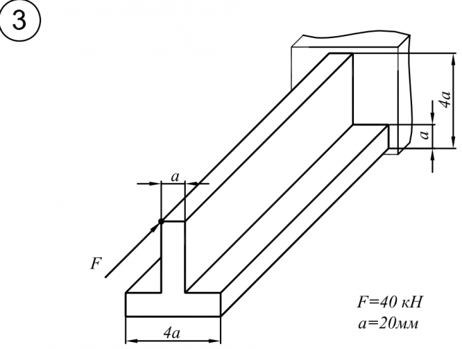
Задача 1:
Задача 2:
Показать/скрыть дополнительное описание
Задача 1:




Типовой расчет по сопротивлению материалов МГТУ 3 семестр домашнее задание кручение сжатие растяжение.
Характеристики домашнего задания
Предмет
Учебное заведение
Семестр
Номер задания
Вариант
Теги
Просмотров
37
Качество
Фото рукописных листов
Размер
3,69 Mb
Список файлов
Вариант 3 К Изгиб 8.pdf
Вариант 3 П Изгиб 12.pdf

Спасибо за покупку! Я буду очень рад, если поставишь справедливую оценку купленному файлу :3 Ищи больше работ в моём профиле, там много нужного тебе!