Для студентов МГТУ им. Н.Э.Баумана по предмету Сопротивление материаловРастяжение — сжатие, КручениеРастяжение — сжатие, Кручение
5,0053
2022-11-032024-09-04СтудИзба
Вариант 20 - Растяжение — сжатие, Кручение
ДЗ 2: Растяжение — сжатие, Кручение вариант 20
-25%
Описание
Полный типовой расчет по сопротивлению материалов №1 "Растяжение — сжатие, Кручение", 3 задачи, зачтено
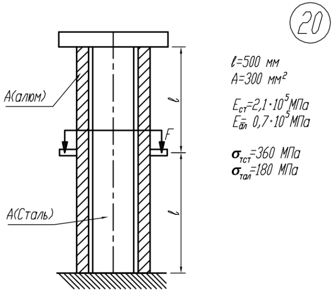
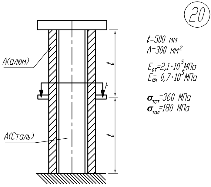
Задача 1:
Задача 2:
Задача 3:
Показать/скрыть дополнительное описание
Задача 1:




Задача 3:


Типовой расчет по сопротивлению материалов МГТУ 3 семестр домашнее задание кручение сжатие растяжение.
Характеристики домашнего задания
Предмет
Учебное заведение
Семестр
Номер задания
Вариант
Теги
Просмотров
105
Качество
Идеальное компьютерное
Размер
7,72 Mb
Список файлов
Вариант 20 Раст-Сжат 1 130.pdf
Вариант 20 Раст-Сжат 2 131.pdf
Вариант 20 Кручение 125.pdf

Спасибо за покупку! Я буду очень рад, если поставишь справедливую оценку купленному файлу :3 Ищи больше работ в моём профиле, там много нужного тебе!