Для студентов МГТУ им. Н.Э.Баумана по предмету Сопротивление материаловСтатически определимые балкиСтатически определимые балки
5,0058
2021-03-282024-09-03СтудИзба
ДЗ 3: Статически определимые балки вариант 23
-55%
Описание
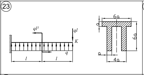
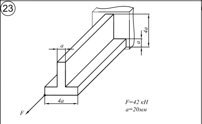
2022г Вариант 23 - ДЗ № 3 - Статически определимые балки - Задача 1 + Задача 2
![]()
Зачтено на максимальный балл




Характеристики домашнего задания
Предмет
Учебное заведение
Семестр
Номер задания
Вариант
Теги
Просмотров
680
Размер
2,04 Mb
Список файлов
ДЗ № 3 вариант 23 - Статически определимые балки (проверено 2020г).pdf

Друзья, спасибо за доверие! Если вам понравилась работа – поставьте 5⭐ и напишите отзыв. Это поможет другим студентам, а мне даст силы делать ещё больше качественных материалов для вас 🔥