Для студентов УГНТУ по предмету Релейная защитаРелейная защита трансформатора ТДН-10000/110/10 и линии 10 кВРелейная защита трансформатора ТДН-10000/110/10 и линии 10 кВ
5,0053173
2025-04-142025-04-14СтудИзба
Курсовая работа: Релейная защита трансформатора ТДН-10000/110/10 и линии 10 кВ
Описание
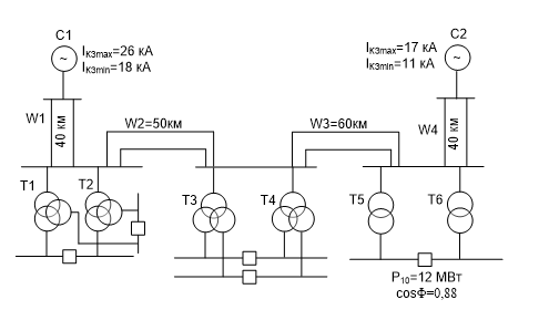
В соответствии с заданием выдана структурная схема объекта и необходимые данные для проектирования курсового проекта.
Содержание
ВВЕДЕНИЕ. 4
1 Исходные данные. 6
2 Выбор основного оборудования. 7
3 Выбор схем распределительных устройств. 9
4 Расчет токов короткого замыкания. 11
5 Выбор выключателей, разъединителей и измерительных трансформаторов. 16
6 Расчет защиты трансформатора. 24
Заключение. 40
СПИСОК ЛИТЕРАТУРЫ.. 41

Содержание
ВВЕДЕНИЕ. 4
1 Исходные данные. 6
2 Выбор основного оборудования. 7
3 Выбор схем распределительных устройств. 9
4 Расчет токов короткого замыкания. 11
5 Выбор выключателей, разъединителей и измерительных трансформаторов. 16
6 Расчет защиты трансформатора. 24
Заключение. 40
СПИСОК ЛИТЕРАТУРЫ.. 41
Характеристики курсовой работы
Предмет
Учебное заведение
Просмотров
4
Качество
Идеальное компьютерное
Размер
3,53 Mb
Список файлов
ТДН.docx

Если нужен другой вариант работы или отдельная задача из любой работы, пишите в комментарии