Главная » Учебные материалы » Релейная защита » Курсовые работы » ИГЭУ им. Ленина » Несколько классов/семестров » Обоснование состава устройств релейной защиты ЛЭП 6-35 кВ, выбор их логики действия и параметров настройки
Для студентов ИГЭУ им. Ленина по предмету Релейная защитаОбоснование состава устройств релейной защиты ЛЭП 6-35 кВ, выбор их логики действия и параметров настройкиОбоснование состава устройств релейной защиты ЛЭП 6-35 кВ, выбор их логики действия и параметров настройки
5,0053674
2025-06-20СтудИзба

Курсовая работа: Обоснование состава устройств релейной защиты ЛЭП 6-35 кВ, выбор их логики действия и параметров настройки

Описание

1. Цель работы. Обоснование состава устройств релейной защиты ЛЭП 6-35 кВ, выбор их логики действия и параметров настройки.
2. Задачи работы. Цель работы обуславливает перечень её ключевых задач (задачи, в свою очередь, обуславливают содержание отдельных глав работы).
а) Подготовка исходных данных для расчёта токов короткого замыкания в исследуемом энергорайоне (формируется преимущественно на основе задания):
- формирование исходных данных для составления схем замещения исследуемого энергорайона для расчёта токов короткого замыкания;
- основные допущения, принимаемые при расчётах ТКЗ согласно ГОСТ Р 52735-2007 «Короткие замыкания в электроустановках. Методы расчета в электроустановках переменного тока напряжением свыше 1 кВ»;
- составление схемы исследуемой сети в программном комплексе для расчёта ТКЗ «ТКЗФ» (для расчёта токов КЗ и выбора параметров срабатывания устройств РЗ; https://labrza.ru/tkzf/).
б) Релейная защита и автоматика воздушной (кабельно-воздушной; кабельной) ЛЭП 6 (10, 35 кВ) в исследуемой сети:
- анализ исходной схемы электрической сети (характеристика защищаемой ЛЭП/электрической сети в целом, актуальная в контексте выбора устройств РЗ: класс напряжения ЛЭП/сети, режим заземления нейтрали, тип привода выключателей - трёхфазный/пофазный, длина ЛЭП, количество смежных ЛЭП/АТ, наличие электростанции в исследуемом энергорайоне, режимы работы её генераторов);
- выбор устройства (шкафа) релейной защиты для реализации функции комплекта ступенчатых защит (принять к рассмотрению устройства производства НПП «Экра»: ЭКРА 217(А) 0303 или БЭ2502А0101);
- расчёты параметров настройки МТЗ ВЛ 35 кВ 3703 в исследуемой схеме сети;
- расчёты параметров настройки МТЗ ВЛ 35 кВ 3704 в исследуемой схеме сети;
- расчёты параметров настройки МТЗ ВЛ 35 кВ 3702 в исследуемой схеме сети;
- расчёты параметров настройки МТЗ ВЛ 35 кВ 3701 в исследуемой схеме сети.

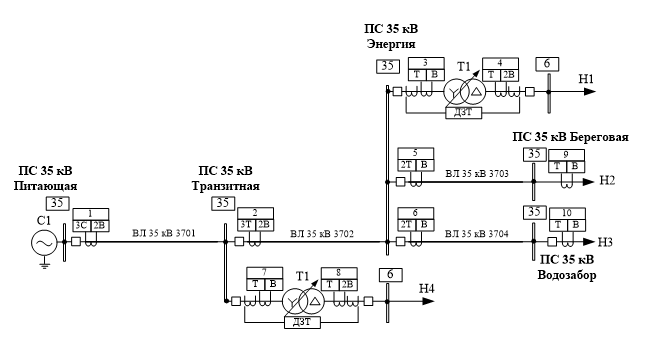
Схема исследуемого участка электрической сети приведена на рис.1. ВЛ 35 кВ 3701 защищается трёхступенчатой максимальной токовой защитой. ВЛ 35 кВ 3702 защищается трёхступенчатой максимальной токовой защитой. ВЛ 35 кВ 3703, 3704 защищаются двухступенчатой максимальной токовой защитой (ТО + МТЗ). Трансформаторы Т1 на ПС 35 кВ Транзитная и Т1 на ПС 35 кВ Энергия защищаются одноступенчатой МТЗ ввода (МТЗ НН), одноступенчатой МТЗ на стороне ВН, а также дифференциальной токовой защитой (ДЗТ).
Элемент сетиПараметрЗначение
Энергосистема С1
Нормальный режим
Сопротивление прямой
последовательности
z0,66+j∙1,21 Ом
ЭДС (линейное значение)Еc37 кВ
Энергосистема С1
Миним. режим
Сопротивление прямой
последовательности
z1,22+j∙2,98 Ом
ЭДС (линейное значение)Еc37 кВ
Трансформатор Т1
ПС 35 кВ Энергия
МаркаТДНС-10000/35
Номинальная мощностьSном10 МВА
Номинальное напряжениеUном36,75/6,3 кВ
Устройство РПН ВН; ±8х1,5%
Номинальный токIномВН157,2 А
Напряжение к. з.uк В-Н%8%
Группа соединений обмоток
трансформатора
Y0/D-11
Трансформатор Т1
ПС 35 кВ Транзитная
МаркаТДНС-16000/35
Номинальная мощностьSном16 МВА
Номинальное напряжениеUном36,75/6,3 кВ
Устройство РПН ВН; ±8х1,5%
Номинальный токIномВН251,7 А
Напряжение к. з.uк В-Н%10%
Группа соединений обмоток
трансформатора
Y0/D-11
ВЛ 35 кВ 3701Длина ВЛ lЛЭП16
Удельное параметры ЛЭП (АС-120/19)z1уд0,244+j0,414 Ом/км
ВЛ 35 кВ 3702Длина ВЛ lЛЭП12
Удельное параметры ЛЭП (АС-70/11)z1уд0,422+j0,432 Ом/км
ВЛ 35 кВ 3703Длина ВЛ lЛЭП6
Удельное параметры ЛЭП (АС-50/8)z1уд0,595+j0,450 Ом/км
ВЛ 35 кВ 3704Длина ВЛ lЛЭП5
Удельное параметры ЛЭП (АС-50/8)z1уд0,595+j0,450 Ом/км
Параметры нагрузок (предельных нагрузочных режимов) в исследуемом энергорайоне, а также длины ЛЭП 35 кВ приведены в табл. 2. Отметим, что соотношение Qнагр/Pнагр одинаково для всех нагрузок Н1 - Н4 и составляет 0,5.
Коэффициент самозапуска электродвигательной нагрузки принять равным 1,8.
Таблица 2 - Параметры нагрузок Н1-Н4 и ЛЭП 35 кВ в исследуемой энергосистеме.
№ вариантаSнагр(Н1), МВАSнагр(Н2), МВАSнагр(Н3), МВАSнагр(Н4), МВАlЛ, км
(3701)
lЛ, км
(3702)
lЛ, км
(3703)
lЛ, км
(3704)
232,82,44,77,6161265

Параметры эквивалентной энергосистемы приведены в табл. 3.

Таблица 3 - Параметры эквивалентной энергосистемы
№ вариантаz, Ом (нормальный режим)z, Ом (минимальный режим)
21-250,66+j∙1,21 Ом1,22+j∙2,98 Ом

Параметры срабатывания защит исследуемого участка сети. Параметры срабатывания токовых защит элементов исследуемого участка, необходимые для выбора уставок защит 1, 2, 5, 6, приведены в табл. 3.

Таблица 3 – Параметры срабатывания защит в исследуемой энергосистеме.
№ вариантаtс.з.3, сtс.з.9, сtс.з.10, сtс.з.7, сIс.з.3, АIс.з.9, АIс.з.10, АIс.з.7, А
232,02,61,71,3200190190330
СОДЕРЖАНИЕ
Задание на проектирование:. 1
Введение. 6
Максимально токовая защита линий 35 кВ. 7
1. Расчет максимально токовой защиты линий 35 кВ. 10
1.1 Расчет максимальных рабочих токов нагрузок. 10
1.2 Расчет токов двухфазного КЗ для проверки чувствительности МТЗ. 10
1.2.1 Выбор расчетных точек КЗ. 10
1.2.2 Основные положения, учитываемые при расчете электрических величин для цепей релей защиты. 11
1.2.3 Расчет параметров схемы замещения прямой последовательности. 11
1.2.4 Расчетная схема сети для расчета на ЭВМ. 12
1.2.5 Параметры электрооборудования сети в программном комплексе ТКЗФ. 12
1.2.6 Расчет токов двухфазного КЗ в точках К1 – К6. 13
1.3. Расчет параметров срабатывания МТЗ линий 35 кВ. 14
Токовые отсечки линий 35 кВ. 18
2. Расчет максимальных токовых отсечек линий 35 кВ. 21
2.1.2 Расчет токов трехфазного КЗ в точках К1 – К9. 21
2.2 Расчет токов срабатывания токовых отсечек без выдержки времени линий 35 кВ. 22
2.4 Определение зоны действия токовых отсечек без выдержки времени линий 35 кВ. 25
2.5 Расчет токов срабатывания токовых отсечек с выдержкой времени линий 35 кВ. 27
2.6 Проверка чувствительности ТОВ линий 35 кВ. 29
3. Карта уставок ступенчатых токовых защит линий 35 кВ. 30
4. Карта селективности ступенчатых токовых защит линий 35 кВ. 31
5. Заключение. 33
6. Библиографический список. 34

Характеристики курсовой работы

Учебное заведение
Просмотров
1
Качество
Идеальное компьютерное
Размер
1,1 Mb

Список файлов

obrazec.docx
Картинка-подпись
Если нужен другой вариант работы или отдельная задача из любой работы, пишите в комментарии

Комментарии

Нет комментариев
Стань первым, кто что-нибудь напишет!
Поделитесь ссылкой:
Цена: 1 500 руб.
Расширенная гарантия +3 недели гарантии, +10% цены
Рейтинг автора
5 из 5
Поделитесь ссылкой:
Сопутствующие материалы

Подобрали для Вас услуги

-17%
Вы можете использовать курсовую работу для примера, а также можете ссылаться на неё в своей работе. Авторство принадлежит автору работы, поэтому запрещено копировать текст из этой работы для любой публикации, в том числе в свою курсовую работу в учебном заведении, без правильно оформленной ссылки. Читайте как правильно публиковать ссылки в своей работе.
Свежие статьи
Популярно сейчас
Почему делать на заказ в разы дороже, чем купить готовую учебную работу на СтудИзбе? Наши учебные работы продаются каждый год, тогда как большинство заказов выполняются с нуля. Найдите подходящий учебный материал на СтудИзбе!
Ответы на популярные вопросы
Да! Наши авторы собирают и выкладывают те работы, которые сдаются в Вашем учебном заведении ежегодно и уже проверены преподавателями.
Да! У нас любой человек может выложить любую учебную работу и зарабатывать на её продажах! Но каждый учебный материал публикуется только после тщательной проверки администрацией.
Вернём деньги! А если быть более точными, то автору даётся немного времени на исправление, а если не исправит или выйдет время, то вернём деньги в полном объёме!
Да! На равне с готовыми студенческими работами у нас продаются услуги. Цены на услуги видны сразу, то есть Вам нужно только указать параметры и сразу можно оплачивать.
Отзывы студентов
Ставлю 10/10
Все нравится, очень удобный сайт, помогает в учебе. Кроме этого, можно заработать самому, выставляя готовые учебные материалы на продажу здесь. Рейтинги и отзывы на преподавателей очень помогают сориентироваться в начале нового семестра. Спасибо за такую функцию. Ставлю максимальную оценку.
Лучшая платформа для успешной сдачи сессии
Познакомился со СтудИзбой благодаря своему другу, очень нравится интерфейс, количество доступных файлов, цена, в общем, все прекрасно. Даже сам продаю какие-то свои работы.
Студизба ван лав ❤
Очень офигенный сайт для студентов. Много полезных учебных материалов. Пользуюсь студизбой с октября 2021 года. Серьёзных нареканий нет. Хотелось бы, что бы ввели подписочную модель и сделали материалы дешевле 300 рублей в рамках подписки бесплатными.
Отличный сайт
Лично меня всё устраивает - и покупка, и продажа; и цены, и возможность предпросмотра куска файла, и обилие бесплатных файлов (в подборках по авторам, читай, ВУЗам и факультетам). Есть определённые баги, но всё решаемо, да и администраторы реагируют в течение суток.
Маленький отзыв о большом помощнике!
Студизба спасает в те моменты, когда сроки горят, а работ накопилось достаточно. Довольно удобный сайт с простой навигацией и огромным количеством материалов.
Студ. Изба как крупнейший сборник работ для студентов
Тут дофига бывает всего полезного. Печально, что бывают предметы по которым даже одного бесплатного решения нет, но это скорее вопрос к студентам. В остальном всё здорово.
Спасательный островок
Если уже не успеваешь разобраться или застрял на каком-то задание поможет тебе быстро и недорого решить твою проблему.
Всё и так отлично
Всё очень удобно. Особенно круто, что есть система бонусов и можно выводить остатки денег. Очень много качественных бесплатных файлов.
Отзыв о системе "Студизба"
Отличная платформа для распространения работ, востребованных студентами. Хорошо налаженная и качественная работа сайта, огромная база заданий и аудитория.
Отличный помощник
Отличный сайт с кучей полезных файлов, позволяющий найти много методичек / учебников / отзывов о вузах и преподователях.
Отлично помогает студентам в любой момент для решения трудных и незамедлительных задач
Хотелось бы больше конкретной информации о преподавателях. А так в принципе хороший сайт, всегда им пользуюсь и ни разу не было желания прекратить. Хороший сайт для помощи студентам, удобный и приятный интерфейс. Из недостатков можно выделить только отсутствия небольшого количества файлов.
Спасибо за шикарный сайт
Великолепный сайт на котором студент за не большие деньги может найти помощь с дз, проектами курсовыми, лабораторными, а также узнать отзывы на преподавателей и бесплатно скачать пособия.
Популярные преподаватели
Добавляйте материалы
и зарабатывайте!
Продажи идут автоматически
6854
Авторов
на СтудИзбе
272
Средний доход
с одного платного файла
Обучение Подробнее
{user_main_secret_data}