Для студентов ВлГУ им. Столетовых по предмету Релейная защитаРелейная защита и автоматизация систем электроснабженияРелейная защита и автоматизация систем электроснабжения
5,0053305
2024-12-232024-12-23СтудИзба
Курсовая работа: Релейная защита и автоматизация систем электроснабжения
Описание
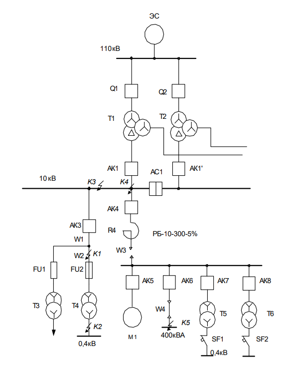
Для системы электроснабжения в соответствии с номером варианта необходимо сделать следующее.
▪ Дать краткую характеристику системы с указанием назначения её основных элементов
▪ Произвести расчёт сечений и выбор проводников следующих линий: ВЛ: W1; W2; W3; W4 наименование линий
▪ Произвести расчёт основных параметров следующих защит: АК1; АК3(; АК6; номера и типы защит
▪ Разработать принципиальные схемы перечисленных защит.
▪ Оформить работу аналитического характера, а так же расчёты и комментарии к ним в виде пояснительной записки. Исходные данные для выполнения курсового проекта.
▪ Типы и параметры трансформаторов: Т1; Т2: марка: ТМТН, Sном = 6,3 МВА, UкВС = 10,5%, UкВН = 17%, UкСН = 6% Т3; Т4: марка: ТМ, Sном = 160КВА, Uк = 4,6% Т5; Т6: марка: ТМН, Sном = 630КВА, Uк = 6,5%
![]()
▪ Дать краткую характеристику системы с указанием назначения её основных элементов
▪ Произвести расчёт сечений и выбор проводников следующих линий: ВЛ: W1; W2; W3; W4 наименование линий
▪ Произвести расчёт основных параметров следующих защит: АК1; АК3(; АК6; номера и типы защит
▪ Разработать принципиальные схемы перечисленных защит.
▪ Оформить работу аналитического характера, а так же расчёты и комментарии к ним в виде пояснительной записки. Исходные данные для выполнения курсового проекта.
▪ Типы и параметры трансформаторов: Т1; Т2: марка: ТМТН, Sном = 6,3 МВА, UкВС = 10,5%, UкВН = 17%, UкСН = 6% Т3; Т4: марка: ТМ, Sном = 160КВА, Uк = 4,6% Т5; Т6: марка: ТМН, Sном = 630КВА, Uк = 6,5%


Характеристики курсовой работы
Предмет
Учебное заведение
Просмотров
5
Качество
Идеальное компьютерное
Размер
2,74 Mb
Список файлов
Releynaya_zaschita_primer.pdf

Если нужен другой вариант работы или отдельная задача из любой работы, пишите в комментарии