Для студентов СФУ по предмету Релейная защитаЗащита линииЗащита линии
5,0051
2022-07-072022-07-07СтудИзба
Курсовая работа: Защита линии
Описание
Основными режимами работы сети считают максимальный, когда в работе находятся все элементы энергосистемы, и минимальный, когда часть генераторов и линий отключены.
Режимы работы для проверки чувствительности защит рассматриваются особо для каждой защиты элемента сети и каждого вида короткого замыкания. В тех случаях, когда объем отключенных элементов не задан, можно принимать отключенными примерно половину генераторов, а в энергосистемах увеличивать в 1,5 – 2 раза их сопротивление. Минимум в сети достигается также отключением одной цепи двухцепных ВЛ и размыканием замкнутой цепи в конце следующего участка линии
Исходные данные приведены в таблицах 1-8.
Расчет токов КЗ вести в именованных единицах для максимального и минимального режимов.
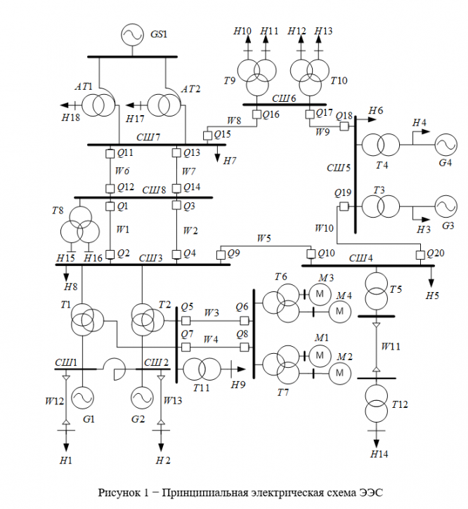
Принципиальная схема электрической сети представлена на рисунке 1.
Режимы работы для проверки чувствительности защит рассматриваются особо для каждой защиты элемента сети и каждого вида короткого замыкания. В тех случаях, когда объем отключенных элементов не задан, можно принимать отключенными примерно половину генераторов, а в энергосистемах увеличивать в 1,5 – 2 раза их сопротивление. Минимум в сети достигается также отключением одной цепи двухцепных ВЛ и размыканием замкнутой цепи в конце следующего участка линии
Исходные данные приведены в таблицах 1-8.
Расчет токов КЗ вести в именованных единицах для максимального и минимального режимов.
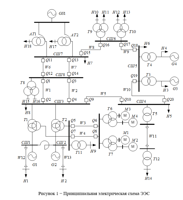
Принципиальная схема электрической сети представлена на рисунке 1.

Характеристики курсовой работы
Предмет
Учебное заведение
Семестр
Просмотров
9
Качество
Идеальное компьютерное
Размер
1,08 Mb
Список файлов
Primer_zaschity_linii.docx

Если нужен другой вариант работы или отдельная задача из любой работы, пишите в комментарии