Для студентов МГТУ им. Н.Э.Баумана по предмету Подъёмно-транспортные машины (ПТМ)Кран настенный консольный поворотныйКран настенный консольный поворотный
5,0051
2021-05-292024-09-08СтудИзба
Курсовая работа 5: Кран настенный консольный поворотный вариант 2
-28%
Описание
Файлы условия, демо
Характеристики курсовой работы
Учебное заведение
Семестр
Номер задания
Вариант
Просмотров
138
Размер
1,71 Mb
Список файлов
ПТМ 05-02
Capture.PNG
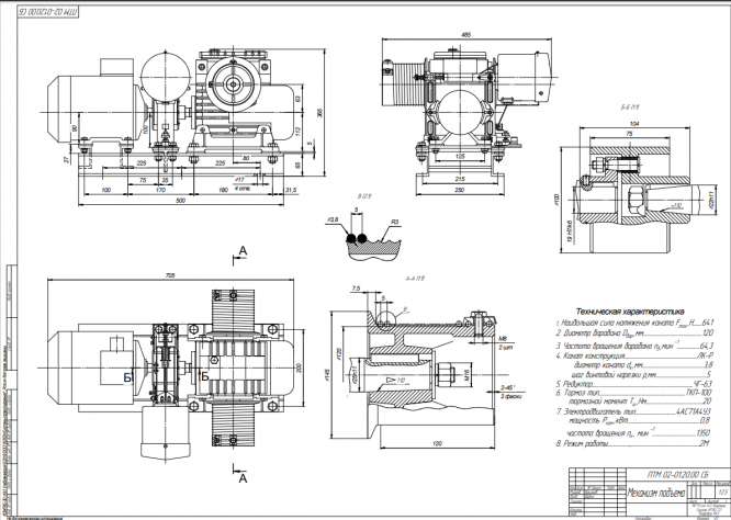
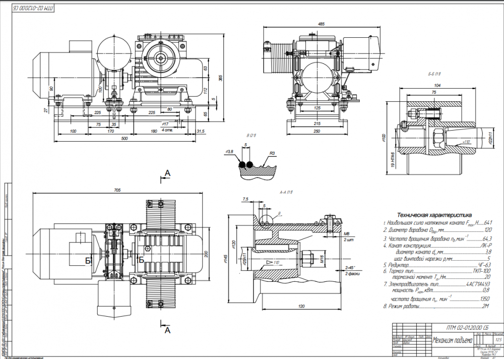
Лист 1 - Механизм подъема.pdf
Лист 2 - Механизм поворота.pdf
Лист 3 - Металло конструкция.pdf
Лист 4 Узлы опорные.pdf
Лист 5 - Общий вид.pdf
Лист 6 - Крюковая подвеска.pdf
Лист 7 - Сертификация.pdf
РПЗ.pdf

Друзья, спасибо за доверие! Если вам понравилась работа – поставьте 5⭐ и напишите отзыв. Это поможет другим студентам, а мне даст силы делать ещё больше качественных материалов для вас 🔥