Для студентов НГТУ по предмету Основы теории цепей (ОТЦ)РГЗ №2 - Анализ линейной электрической цепи при гармоническом воздействии - Вариант 11РГЗ №2 - Анализ линейной электрической цепи при гармоническом воздействии - Вариант 11
4,96529260
2021-08-242021-08-24СтудИзба
Курсовая работа: РГЗ №2 - Анализ линейной электрической цепи при гармоническом воздействии - Вариант 11 вариант 11
Описание
Расчетно-графическое задание № 2
Анализ линейной электрической цепи при гармоническом воздействии


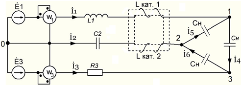
- Произвести разметку зажимов индуктивно связанных катушек. Составить системы уравнений по законам Кирхгофа в дифференциальной форме для мгновенных значений и в алгебраической форме для комплексных амплитуд.
- Рассчитать токи в ветвях методом комплексных амплитуд. Записать мгновенные значения токов.
- Составить баланс мощностей и определить показания ваттметров для ИСХОДНОЙ схемы.
- Построить для ИСХОДНОЙ схемы топографическую диаграмму напряжений, совместив ее с векторной диаграммой токов.

Характеристики курсовой работы
Предмет
Учебное заведение
Семестр
Вариант
Просмотров
2
Качество
Идеальное компьютерное
Размер
389,7 Kb
Список файлов
РГЗ №2 - Анализ линейной электрической цепи при гармоническом воздействии - Вариант 11
РГЗ №2 - Анализ линейной электрической цепи при гармоническом воздействии - Вариант 11.docx

Вам все понравилось? Получите кэшбэк - 40 рублей на Ваш счёт при покупке. Поставьте оценку и напишите положительный комментарий к купленному файлу. После Вы получите деньги на ваш счет.