Для студентов НГТУ по предмету Основы теории цепей (ОТЦ)Вариант 11 - Группа 4 - КП - Анализ гармонического процесса в отрезке радиочастотного кабеляВариант 11 - Группа 4 - КП - Анализ гармонического процесса в отрезке радиочастотного кабеля
4,96529765
2021-08-222021-08-22СтудИзба
Курсовая работа: Вариант 11 - Группа 4 - КП - Анализ гармонического процесса в отрезке радиочастотного кабеля вариант 11
Описание
Пояснительная записка к курсовой работе по курсу: Основы теории цепей
на тему: Анализ гармонического процесса в отрезке радиочастотного кабеля
Содержание
- Часть 1
- Задание на курсовую работу
- Исходные данные
- Выбор марки радиочастотного кабеля
- Моделирование генератора, нагрузки и отрезка радиочастотного кабеля
- Расчёт распределения действующих значений напряжения и тока вдоль нагруженного отрезка линии без потерь
- Расчёт распределений вещественных и мнимых частей сопротивления
- Расчёт значений активных мощностей
- Определение значений параметров элементов согласующего устройства
- Расчёт значений параметров элементов согласующего устройства с помощью круговой диаграммы
- Расчёт распределения действующих значений напряжения и тока вдоль отрезка линии и элементов согласующего устройства
- Расчёт значений активных мощностей в согласованном режиме
- Часть 2
- Исследование частотной избирательности пассивного RC- четырехполюсника
- Список использованной литературы
Задание на курсовую работу
- Выбрать марку радиочастотного кабеля, исходя из заданных значений параметров генератора. Критерий выбора – минимальное значение расчетной массы 1км кабеля. Привести эскиз конструкции выбранного кабеля с указанием размеров его элементов, а также параметры и частотные характеристики.
- Подобрать модель генератора, отрезка кабеля и приемника энергии (нагрузка кабеля) и определить значения их параметров.
- Рассчитать распределения действующих значений или огибающих напряжения и тока вдоль нагруженного отрезка кабеля и построить их графики на интервале [0,l].
- Рассчитать распределения составляющих комплексного сопротивления или проводимости (в зависимости от способа последующего согласования) вдоль нагруженного отрезка кабеля и построить их графики на интервале [0,l].
- Рассчитать распределения активной и реактивной мощностей вдоль отрезка кабеля на интервале [0,l] и построить их графики. Сравнить значения активной мощности, отдаваемой генератором, и активной мощности, потребляемой нагрузкой кабеля. Сопоставьте их со значением мощности генератора Pг.
- Рассчитать значения параметров элементов согласующего устройства (рис. 1-9, на которых комплексная проводимость Yн= Gн+jBн=Zн-1).
- Найти значения параметров элементов согласующего устройства по диаграмме полных сопротивлений (проводимостей) и описать порядок их определения с соответствующими графическими построениями.
- Рассчитать распределения действующих значений напряжения и тока вдоль согласованного участка отрезка кабеля и элементов согласующего устройства и построить их графики.
- Рассчитать распределения активной и реактивной мощностей вдоль согласованного участка отрезка кабеля и элементов согласующего устройства и построить их графики. Сравнить значения активной мощности, отдаваемой генератором, и активной мощности, потребляемой нагрузкой кабеля. Сопоставить их со значением мощности генератора Pг.
Исходные данные
Рис | Рг | Rг | fг | l/l | Zн |
№ | Вт | Ом | МГц | отн. ед. | Ом |
2 | 45 | 50 | 1300/4 | 1.25 | 80+j60 |
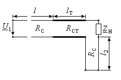
Схема согласующего устройства.
Согласование четвертьволновым трансформатором и последовательным короткозамкнутым шлейфом.
Характеристики курсовой работы
Предмет
Учебное заведение
Семестр
Вариант
Просмотров
10
Качество
Идеальное компьютерное
Размер
2,79 Mb
Список файлов
Вариант 11 - Группа 4 - КП - Анализ гармонического процесса в отрезке радиочастотного кабеля
Вариант 11 - Группа 4 - КП - Анализ гармонического процесса в отрезке радиочастотного кабеля - 1.xmcd
Вариант 11 - Группа 4 - КП - Анализ гармонического процесса в отрезке радиочастотного кабеля - 2.xmcd
Вариант 11 - Группа 4 - КП - Анализ гармонического процесса в отрезке радиочастотного кабеля.doc

Вам все понравилось? Получите кэшбэк - 40 рублей на Ваш счёт при покупке. Поставьте оценку и напишите положительный комментарий к купленному файлу. После Вы получите деньги на ваш счет.