ДЗ: Печатная плата и трассировка по электрической схеме Пульт от телевизора вариант 14
Новинка
Описание
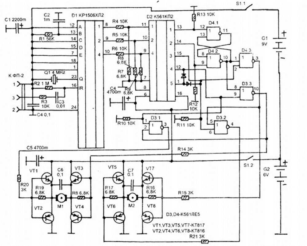
Сделать библиотеку компонентов (УГО и посадочные места) для принципиальной электрической схемы "Пульт от телевизора" на рисунке. Также собрать такую же схему в P-CAD,выполнить прямую и ортогональную трассировки ручным и автоматическим способамиХарактеристики домашнего задания
Учебное заведение
Семестр
Вариант
Просмотров
3
Размер
4,78 Mb
Преподаватели
Список файлов
Отчёт.docx
Отчет.docx
Пульт авто орт.BAK
Пульт авто орт.PCB
Пульт авто орт.STR
Пульт авто прям.BAK
Пульт авто прям.PCB
Пульт авто прям.PRF
Пульт ручн орто.BAK
Пульт ручн орто.PCB
Пульт ручн орт.BAK
Пульт ручн орт.PCB
Пульт ручн прям.BAK
Пульт ручн прям.PCB
Пульт снова.BAK
Пульт снова.ERR
Пульт снова.SCH
Пульт снова.net
Пульт.BAK
Пульт.PCB
Пульт.PRF
Пульт.SCH
Пульт.STR
Пульт.eco
Пульт.net
кнопка.pat
CAP_CERAM.Sym
CAP_CERAM.pat
CAP_ELECTR.BAK
CAP_ELECTR.Sym
CAP_ELECTR.pat
CLEM.BAK
Комментарии
Нет комментариев
Стань первым, кто что-нибудь напишет!
МГТУ им. Н.Э.Баумана















